查看: 2395|回复: 0

飞行器控制算法、设计软件与数字化仿真

[复制链接]
发表于 2022-9-24 22:41:13 | 显示全部楼层 |阅读模式
概      述
CCA42工业级多功能可编程飞行控制系统,采用了类似于MATLAB和Simulink的控制律组态建模软件,只需简单操作鼠标连接相关的功能模块,无需编写代码就可以构建结构和流程直观清晰的控制系统程序。再通过内置的JSBSim和flightgear组成的半实物仿真系统,能够从理论设计直接进入到应用开发阶段,高效快捷地完成控制系统的组态建模、系统辨识、动态仿真、在线调参和实时运行,适用于固定翼、直升机、倾转旋翼机、特殊飞行器、车船艇、机器人、云台等,非常适合专业用户根据个性化需求进行工程开发和应用扩展。

飞行器控制算法、设计软件与数字化仿真-4274
硬件组成

  • 三轴角速率陀螺
  • 三轴加速度计
  • 三轴磁力计
  • 空速传感器
  • 气压高度计
  • GPS、GLONASS、BeiDou、Galileo四系统组合10Hz GPS卫星接收机
  • DSP数字信号处理器
  • 24位A/D转换器
  • 16通道CAN总线
  • 双电源宽电压冗余供电
  • 18通道PPM控制信号输入
  • 18通道舵机输出
  • 2通道电压监测
  • 2通道转速监测
  • 8G外置USB高速飞行数据记录器

飞行器控制算法、设计软件与数字化仿真-4963
特色功能

  • 控制律图形化组态建模,快速构建功能强大的飞行控制系统。
  • 固定翼、多旋翼/直升机双模式高精度动态三维姿态解算。
  • 100多项精密测量数据,数据传输速率可分别定义,最高速率100 Hz。
  • AHRS 和 GPS-INS 惯性组合导航算法。
  • 优异的宽频耐震特性,可用于各种严酷的使用环境。
  • 基于齐格勒—尼科尔斯法则的 PID 参数整定器。
  • JSBSim 飞行动力学模型和 FlightGear 飞行模拟器组成的半物理仿真系统。
  • CAN Aerospace 协议设备扩展总线,可接入各种用户设备和传感器。
  • 军品安全保密规范设计,内部程序和航行数据只能写入不能读取和导出。
  • 方便灵活的航行控制方式,随时随地可从任意航线的任意航点开始飞行。
  • 多种飞行模式:自动起飞降落、智能压线模式、航点驻留模式、指点驻留模式。
  • 飞行计划可由多条航线组成,最大容量100条航线,支持KML航线文件导入。
  • 每条航线可设置1000个航点,每个航点可定义23项参数和18项任务操作。
  • 多边形扫描航线,可定义航线扫描方向、航线间隔、界外余量、转弯方向等。
  • 可使用Google 路线图、混合图、卫星图、地形图和Open Street 等在线地图。
  • 自定义仪表显示方式,自定义操作按钮和交互窗口。
  • 视频叠加、基站GPS/RTK、飞行历史回放、飞机失踪位置搜寻等功能。
  • 多功能专业飞行数据分析软件。
  • 自定义飞行控制软件界面LOGO。
技术指标

飞行器控制算法、设计软件与数字化仿真-7141

系统连接示意图

飞行器控制算法、设计软件与数字化仿真-4304

A.GPS天线、B.飞控电源、C.D舵机、E.SBUS_PPM_PWM转换器、F.遥控接收机、G.舵机电源、H.转速传感器、J.CAN总线传感器、K.飞行数据记录器、L.数传电台、M.空速管 。

系统配置表

飞行器控制算法、设计软件与数字化仿真-9556

飞行控制律设计软件 CCA Constructor

飞行器控制算法、设计软件与数字化仿真-7648

A.菜单栏   B.快捷图标按钮   C.工程窗口   D.对象属性窗口  E.遥测数据窗口  F.控制算法编辑区  G.功能模块窗口  H.内部信息窗口  I.调试信息窗口 J.命令输入窗口 K.系统状态窗口  L.数据传送状态栏

工程窗口:

飞行器控制算法、设计软件与数字化仿真-2816

功能模块窗口:

飞行器控制算法、设计软件与数字化仿真-3067

参数模块:

飞行器控制算法、设计软件与数字化仿真-1616

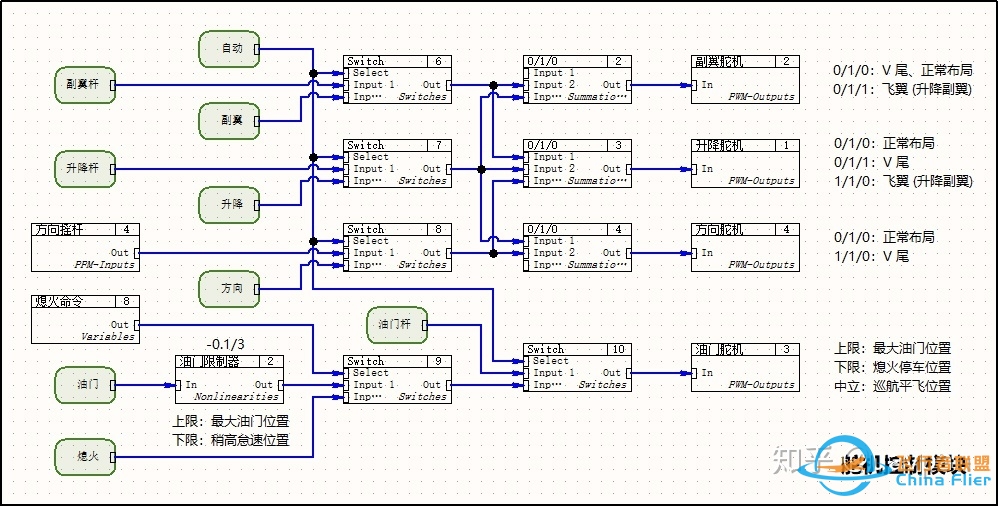
飞行控制算法组态案例:

飞行器控制算法、设计软件与数字化仿真-5399

飞行器控制算法、设计软件与数字化仿真-9975

飞行器控制算法、设计软件与数字化仿真-6001

飞行器控制算法、设计软件与数字化仿真-6401

飞行器控制算法、设计软件与数字化仿真-1289

飞行器控制算法、设计软件与数字化仿真-1411

飞行器控制算法、设计软件与数字化仿真-9470

飞行器控制算法、设计软件与数字化仿真-9305

飞行器控制算法、设计软件与数字化仿真-5019

飞行器控制算法、设计软件与数字化仿真-7931

飞行器控制算法、设计软件与数字化仿真-5591

飞行器控制算法、设计软件与数字化仿真-1526

飞行器控制算法、设计软件与数字化仿真-9740
飞行控制算法半实物仿真
https://www.zhihu.com/video/1156414562470387712


飞行器控制算法、设计软件与数字化仿真-9554

PID控制器参数整定

飞行器控制算法、设计软件与数字化仿真-5579

遥测数据分析软件

飞行控制软件 CCA Control

飞行器控制算法、设计软件与数字化仿真-1267

飞行器控制算法、设计软件与数字化仿真-6237

1.菜单栏 2.快捷图标操作按钮 3.飞行信息窗口 4.仪表窗口 5.速度滑条 6.飞行时间、系统状态和视频源窗口 7.地面站位置图标 8.起飞点位置图标 9.飞行轨迹 10.目标点指引线、目标点距离、目标点方位角 11.飞机位置图标 12.高度滑条 13.视频叠加和数据传送状态窗口

飞行器控制算法、设计软件与数字化仿真-5294

飞行控制软件菜单

飞行器控制算法、设计软件与数字化仿真-2998

飞行控制软件设置菜单

飞行器控制算法、设计软件与数字化仿真-1091

飞行控制软件设置界面

飞行器控制算法、设计软件与数字化仿真-5275

自定义按钮和窗口设置

飞行器控制算法、设计软件与数字化仿真-9015

航线设置

飞行器控制算法、设计软件与数字化仿真-9319

航点设置菜单

飞行器控制算法、设计软件与数字化仿真-7268

航线、航点、任务设置

飞行器控制算法、设计软件与数字化仿真-3552

起飞航线设置

飞行器控制算法、设计软件与数字化仿真-4767

着陆航线设置

飞行器控制算法、设计软件与数字化仿真-31

飞机失踪搜索界面

飞行器控制算法、设计软件与数字化仿真-1946

飞行历史回放界面

CCA42 飞行控制系统应用案例

飞行器控制算法、设计软件与数字化仿真-9806

飞行器控制算法、设计软件与数字化仿真-3251

飞行器控制算法、设计软件与数字化仿真-6877

飞行器控制算法、设计软件与数字化仿真-2346

飞行器控制算法、设计软件与数字化仿真-7603

飞行器控制算法、设计软件与数字化仿真-9450

飞行器控制算法、设计软件与数字化仿真-524

飞行器控制算法、设计软件与数字化仿真-2003

飞行器控制算法、设计软件与数字化仿真-6259

飞行器控制算法、设计软件与数字化仿真-8617

飞行器控制算法、设计软件与数字化仿真-6475

飞行器控制算法、设计软件与数字化仿真-9324

飞行器控制算法、设计软件与数字化仿真-9942

飞行器控制算法、设计软件与数字化仿真-8184

飞行器控制算法、设计软件与数字化仿真-4045

飞行器控制算法、设计软件与数字化仿真-3020

飞行器控制算法、设计软件与数字化仿真-6458

飞行器控制算法、设计软件与数字化仿真-1449

飞行器控制算法、设计软件与数字化仿真-1635
您需要登录后才可以回帖 登录 | 加入联盟

本版积分规则

快速回复 返回顶部 返回列表