English
登录
加入联盟
找回密码
航空人生
新一代连飞客户端下载
空管人生
中国航空运动协会推荐
WEFLY
模拟飞行玩家聊天工具
门户
文章
商城
原创商城
官方淘宝
学院
AI 问答
云课堂
考试
资料下载
论坛
模拟飞行
低空飞行
太空探索
航圈
联机
航空人生(连飞)
飞行人生(虚航)
空管人生(虚管)
空战人生(对战)
工具
联飞地图
航路查询
航图查询
气象报文
资源
插件库
素材库
云网盘
企业
飞行者联盟
»
论坛
›
【模拟飞行】
›
Prepar3D
›
民航飞机手册,你了解多少?(空客篇) ...
返回列表
发新帖
查看:
10273
|
回复:
5
民航飞机手册,你了解多少?(空客篇)
[复制链接]
四代
四代
当前离线
UID
13148
注册时间
2015-4-6
在线时间
小时
最后登录
1970-1-1
精华
阅读权限
50
听众
收听
雷达卡
发表于 2017-11-2 09:16:55
|
显示全部楼层
|
阅读模式
本帖最后由 四代 于 2017-11-2 09:18 编辑
喜欢的朋友可以关注微信公众号:
FYCYC-CreativeHouse
也可直接扫描二维码关注~
上次推送波音篇手册讲解后,引起广泛关注,今天为大家带来空客手册的相关解析!当然,如有不对的地方还请朋友们批评指正(可在公众号下留言)【延续福利,文末有获取手册电子版的方法哦~】
----空客公司商标
本次手册体系介绍,经小屋广泛查阅资料并与机务朋友交流,在上次波音的基础上做了些许改动,大家请看:
下面,小屋将挑选其中具有代表性的为大家简单介绍~
1、Flight Crew Operation Manual
----FCOM手册的作用不管是波音还是空客,其大致的功能是相同的,即作为资料供飞行员学习飞机系统,如同大家买车后提供的汽车手册一般。所以,如果想要深入了解飞机系统,可以先把FCOM手册好好研究一下!
----小屋曾在手册(波音篇)中讲解过ATA章节分类,在这里再带大家巩固一下,左侧为章节内容,右侧为章节号码。
----看到中文一定让你们很开心吧!小屋简单介绍一下背景:该部件位于机长左侧,副机长右侧,作用为飞机地面滑行时控制前轮角度以便进行转向。【小知识,波音737客机的转弯收轮为垂直地面安置,空客320则为平行地面安置】
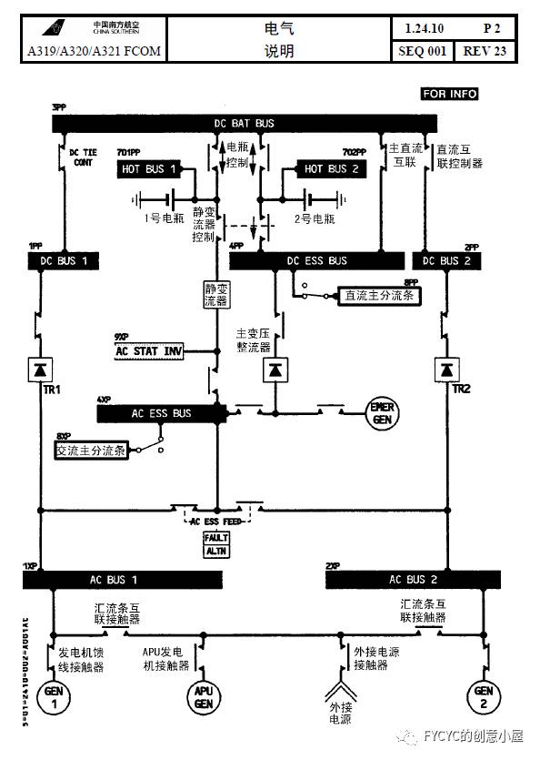
----该页面为驾驶舱照明灯的供电情况。对于320飞机来说,机上有两套交流电系统、两套直流电系统,分别对应115伏特AC(Alternating Current)和28伏特DC(Direct Current)(当然还有备用电气系统,在此先忽略吧~)大家在页面中可以看到AC及DC代表了是使用交流电还是直流电,而1或者2则代表了使用第几套供电系统(Bus)
----相信有些朋友还是很想看一下320飞机的电气系统对不对~
----关于FCOM手册,小屋打算带大家做个小对比,眼神好的朋友一定已经关注到了小屋左上角标注的页码,是不是隐隐约约看到了个7~没错,A380的FCOM手册已经达到了惊人的7000多页!!!再反观波音的FCOM手册,大多都是3000页内打住,是不是突然有种波音做事好简洁干练的感觉呢~
在这里,小屋得承认确实相比较来说,波音的手册的确比较简洁,但是如果不讨论内容就盖棺而论,也有失公允。空客FCOM手册往往分为4个分册:
每个分册都在跟据ATA的章节定义对飞机进行了详细的定义及叙述,相当于4个ATA章节(00到70)。
而波音公司的FCOM手册往往是这样组成的:
真正跟据ATA章节定义对飞机进行定义及叙述的是最后一个Systems Description,仅为1个ATA章节(00到70)。
这样看来,似乎空客手册比波音的长也就不难理解了~
(以上只是小屋对双方FCOM手册的个人见解,如有错误之处,还望批评指正~)
2.Flight Crew Training Manual
----不知道是不是看惯了波音的手册,现在再看空客的手册总有点不上档次的感觉。。。
----小屋好不容易找了个相对来说英文较少,还有个图的页面。空客的FCTM风格似乎就是这样,大段的英文,少量的配图,需要使用者耐下心一点点学习其内容。该页讲述了飞机滑行操作,PNF(非操作飞行员)应观察液晶显示器喊出当前滑行速度。同时,差异化刹车是不建议的(飞行员脚下有个设备叫Pedal【脚舵】腿部用力,使其一前一后可让飞机垂尾摆动,进而进行偏航控制。而以脚跟为轴,脚尖向下压则可以触发飞机主起落架的刹车系统,踩的角度不同,可使刹车力不同进而实现转向【这里不推荐此种转向方法】)
----FCTM通常给人的感觉是这样的,小屋表示也不想讲了。。。
3、TTM?(Technical Training Manual)
----说实话,这个手册小屋并没有归到前面的手册体系里去,因为实在是不知道该怎么分类,但是大家听完小屋的介绍之后,想必一定会对这个手册很感兴趣!(因为真的有好多图啊~~~)
----怎么样,够直观吧!清晰讲述了A380飞机外部的摄像头系统,如果大家有幸能乘坐A380飞机,可以在自己身前的屏幕中调到外部摄像头模式,观看飞机起降过程~
----描绘380飞机驾驶舱灯光系统及相关控制组件。
好啦,本次科普内容就是这样,欢迎大家在后台留言,告诉小屋还想了解哪些飞机知识,小屋希望能和飞友们一同探索!
本期福利A319飞机TTM。也就5000页吧,相信大家都会一页页好好学习的不枉费小屋一片苦心~
后台输入319TTM获取下载方式~
民航
,
飞机
,
手册
,
了解
,
多少
相关帖子
•
现在比较高质量的插件飞机都有哪些
•
挑一架拍过的飞机模拟它的航线1
•
挑一架拍过的飞机模拟它的航线2
•
晚上无意中拍的飞机室内,感觉可以当壁纸了!猜猜啥飞...
•
msfs2020能否快速拖动飞机
•
特早以前在南苑机场怕的飞机。现在这个机场没了
•
x-plane可以在地图上拖飞机改变位置么?
回复
使用道具
举报
提升卡
置顶卡
沉默卡
喧嚣卡
变色卡
千斤顶
照妖镜
xiandingyi
xiandingyi
当前离线
UID
2059
注册时间
2016-5-7
在线时间
小时
最后登录
1970-1-1
精华
阅读权限
80
听众
收听
雷达卡
发表于 2017-11-2 13:35:48
|
显示全部楼层
这个太过专业是飞飞用的吧
回复
支持
反对
使用道具
举报
照妖镜
wen691201
wen691201
当前离线
UID
25873
注册时间
2016-4-28
在线时间
小时
最后登录
1970-1-1
精华
阅读权限
50
听众
收听
雷达卡
发表于 2017-11-3 10:52:50
|
显示全部楼层
楼主强大呀,这个很专业吧?
回复
支持
反对
使用道具
举报
照妖镜
tks123
tks123
当前离线
UID
45133
注册时间
2017-8-29
在线时间
小时
最后登录
1970-1-1
精华
阅读权限
20
听众
收听
雷达卡
发表于 2017-11-4 02:20:00
|
显示全部楼层
楼主强大呀,这个很专业吧?
回复
支持
反对
使用道具
举报
照妖镜
BruceEinstein
BruceEinstein
当前离线
UID
21874
注册时间
2016-1-20
在线时间
小时
最后登录
1970-1-1
精华
阅读权限
40
听众
收听
雷达卡
发表于 2017-11-4 19:11:50
|
显示全部楼层
:lol:lol:lol
回复
支持
反对
使用道具
举报
照妖镜
lvtao99999
lvtao99999
当前离线
UID
23759
注册时间
2016-12-15
在线时间
小时
最后登录
1970-1-1
精华
阅读权限
50
听众
收听
雷达卡
发表于 2017-11-4 20:44:48
|
显示全部楼层
这个不错。。知识性强
回复
支持
反对
使用道具
举报
照妖镜
返回列表
发新帖
高级模式
B
Color
Image
Link
Quote
Code
Smilies
您需要登录后才可以回帖
登录
|
加入联盟
本版积分规则
发表回复
回帖后跳转到最后一页
快速回复
返回顶部
返回列表