楼主: player1104

讓你更認識B747-400所有系統和背後原理

  [复制链接]
楼主 发表于 2014-11-26 22:23:10 | 显示全部楼层

機外燈光
(Exterior lights)

下圖是 747-400 飛機上外部燈光之介紹, 圖檔有點大 (66 KB) 請各位耐心等待.
讓你更認識B747-400所有系統和背後原理-5803
駕駛艙內之控制
讓你更認識B747-400所有系統和背後原理-9032
1. Landing light
飛機降落時, 用來照亮跑道的燈光. 分成左右, 內外共四個燈.
2. Runway turnoff light飛機滑行轉彎時, 用來照亮兩側的燈光.
3. Taxi light地面滑行時, 用來照亮正前方的燈光
4. Beacon light紅色的閃光燈, 防止地面或空中相撞之用, 上下各有一顆.
5. Navigation light左翼尖為紅色燈, 右翼尖為綠色燈, 機尾則為一般白色燈, 除用來防止地面或空中相撞外, 還可用來辨視飛機行進之方向.
6. Strobe light高亮度之白色閃光燈, 防止地面或空中相撞之用. 左右翼尖及機尾各有一顆.
7.Wing light用來照亮機翼前緣及引擎進氣口之用, 可讓飛行員檢視結冰狀況.
8. Logo light用來照亮垂直尾翼上的各公司圖裝. (除廣告作用外, 也方便塔台人員辨視之用)



楼主 发表于 2014-11-26 22:21:14 | 显示全部楼层

起落架
(Landing gear)

概述
起落架, 顧名思義, 是為飛機起降在地面滑行所設計的, 這些輪子本身沒有動力, 純粹靠發動機推動飛機前進. 一但飛機離開地面, 這些起落架就成了累贅, 產生很大的阻力, 因此一起飛後, 飛行員會盡快將起落架收起, 讓飛機加速.

747-400 共有 5 隻 "腳", 可分為三部份來說明 :
讓你更認識B747-400所有系統和背後原理-9891
鼻輪 (Nose Gear) :位於機鼻附近, 有兩個輪子.
翼輪 (Wing Gear) :位於翼根附近. 左右各一, 每隻腳上有四個輪子
機身輪 (Body Gear) :位於機身下方, 也是左右各一, 每隻腳有四個輪子

翼輪與機身輪合稱主輪 (Main Gear), 因為它們位在飛機重心附近, 大部份的機身重量都由這四隻腳來承受. 鼻輪主要的功能則是用來轉向.


起落架結構
起落架除了裝有輪子讓飛機可以滑行之外, 因為承受著飛機的重量, 所以還裝有避震系統, 來吸收落地及滑行時的衝擊.

747-400 的起落架是利用空氣可壓縮的特性來製成避震器, 其構造簡示如下:
讓你更認識B747-400所有系統和背後原理-336 其中外筒是連在機身的結構上, 內筒則連在輪胎的軸上. 外筒的內徑恰可容納內筒, 兩者上下一套, 就形成一個可伸縮的套筒, 而其中所包圍的空氣就形成絕佳的 "氣墊"由於空氣容易外漏, 內外筒之間也會產生磨擦, 因此在裡面灌了一些液壓油 (與液壓系統用的液壓油是不同的), 並在外筒底端加上油封, 不但可以防止空氣外漏, 還可作為潤滑. 而內筒與油封接觸滑動的地方, 則以鍍鉻的方式作表面處理, 增加耐磨度.
當然內外筒之間還有一些機構相連, 否則飛機一起飛離地, 外統隨飛機離地, 內筒連輪胎卻還留在地上, 那就糗大了.

起落架的收放
起落架的收放其實是一個頗為複雜的過程 (當然駕駛艙裡的操作是很單純的). 當飛行員下達放下起落架命令後, 首先要將輪艙門打開, 接著讓原本收起的起落架解鎖, 再將起落架伸展開來. 等起落架到達定位後, 最後再把輪艙門關起來. 除起落架從機身伸出來的地方是鏤空之外, 基本上飛機還是保持流線的外型, 盡量減少阻力.

而收起落架則是依相反的動作進行, 而所有收放及開關輪艙門的動作, 都是由液壓系統來負責. 當起落架完全收起之後, 飛行員就可以切斷收放系統的液壓動力. 這時起落架是由一個 "鉤子" 掛在飛機結構上, 而輪艙門則由封存在管路中的壓力, 固定在關閉的位置.

當液壓收放系統故障時, 飛行員就得使用備份系統來將起落架放下(若是起飛後收不起來, 通常就是立刻降落原機場). 備份系統是將原來封存於管路中的液壓壓力釋放, 讓輪艙門可以自由活動, 再利用電馬達, 將之前談到鉤子解鎖, 讓沉重的起落架, 靠著重力自然垂下, 並藉著一些彈簧拉扯到定位.

至於駕駛艙內的控制簡介如下 :
讓你更認識B747-400所有系統和背後原理-8508
1. Landing gear lever控制起落架的收放桿
UP : 啟動收起落架程序
OFF : 關閉收放系統液壓動力
DN : 啟動放起落架程序
2. Lever lock override switch當飛機在地面上時, 起落架是無法收起的, 但此時可壓下此鈕, 強行收起 (維修時使用)
3. Nose/body gear alternate extension switch鼻輪與機身輪的備份釋放系統開關.
4. Wing gear alternate extension switch翼輪的備份釋放系統開關

轉向系統
一般飛機上的方向舵踏板, 除了可用來控制方向舵之外, 在地面上時, 也同時用來控制鼻輪的轉向. 747-400 也不例外, 不過使用方向舵踏板, 只能作小角度的轉彎 ( ± 7º), 想要作大角度轉彎, 駕駛艙內另外有搖柄, 可以作 ± 70º 的大轉彎.

不過 747-400 最特別的是, 在機身輪上也裝了轉向系統, 隨著鼻輪的轉向, 機身輪會同步往相反的方向偏 (鼻輪往右, 機身輪就往左偏), 如此能使轉彎半徑變得更小., 利於在窄小的機場中操作.


輪胎
一架 47-400 上總共使用 18 顆輪胎 (不包含備胎 ^-^), 而且鼻輪與主輪使用同一種輪胎 (不過有特別作過旋轉平衡, 以免高速滑行時會抖動). 其尺寸如下 : 外徑 49 吋, 內徑 22 吋 寬 19 吋 (立起來約到一般人的胸部). 裝在起落架上時, 直接將輪穀穿過輪軸, 用一個超級大螺絲固定即可.

輪胎本身採無內胎設計. 此外使用翻修胎也是合法的 (需要由通過波音公司認証合格的廠商來執行), 翻修的次數都會標明於輪胎上. 當然次數也有限制, 5,6 次算是蠻常見的.


煞車系統
現代飛機所使用的煞車系統, 多捨棄以往所使用的金屬煞車片, 而改採碳 - 碳纖維複合材料.

看到 "碳" 這個字, 可別想到烤肉用的木碳, 鑽石也是碳構成的啊 ! 在一般情況下, 雖然比起金屬來, 這類的碳 - 碳纖維比較脆, 強度也差, 但是一但放到高溫狀態中, 金屬強度隨溫度上升而快速遞減的情況下, 碳 - 碳纖維就顯現出其過人之處了. 此外碳 - 碳纖維還具有重量輕, 散熱快 (高溫會減低煞車性能) 的優點, 因此近來已成飛機煞車系統的主流.

747-400 上的煞車構造解釋如下 :
讓你更認識B747-400所有系統和背後原理-3307 碳 - 碳纖維的煞車片是一片片像薄餅的模樣, 每個煞車是由九片煞車片所組成.其中單數片的煞車片是固定於起落架的輪軸上, 所以稱為 "定子", 而雙數片的煞車片則是跟著輪胎一起旋轉, 所以稱為 "轉子".
平常轉動時, 轉子與定子間會有磨擦, 不過無大礙, 當需要用到煞車時, 只要用液壓唧筒將兩邊一夾, 藉著轉子與定子間的磨擦, 就可以達到煞車的效果.
在每個主輪上都有煞車 (所以總共有 16 個), 除了每個煞車都有各自的防滑煞車系統 (Anti-skid Brake System, ABS), 以確保高速滑行時不會產生輪子打滑的情況外,   輪子與輪子之間也會互相比較打滑的情形, 避免發生左右煞車不平均, 造成飛機偏滑的現象 (這就是汽車上所謂 TCS, Track Control System,自動尋跡系統, 事實上,  ABS, TCS 都是由飛機工業引進而來).

在駕駛艙裡, 是利用方向舵踏板來個別控制左右兩邊的煞車 (所以飛行員可利用煞車來控制飛機轉彎), 不過其控制是以踏板後跟為軸的旋轉方式, 與控制方向舵的水平移動有所不同 (請參考飛行控制系統.). 而施加於煞車片上的液壓壓力, 也會隨著踏板的行程而增加 (踩得越深, 液壓壓力越大, 煞車效果越大).

另外為了減輕飛行員負擔, 747-400 上設計有自動煞車系統, 在降落或 RTO (Reject Take-0ff) 時, 不必去踩踏板就可以啟動煞車的功能. 自動煞車計有 1, 2, 3, 4, MAX AUTO 及 RTO 六種等級可供選擇, 每種等級都有不同的減速要求, 而自動煞車系統會調整煞車的液壓壓力 (但每個等級有不同的壓力上限), 來達到減速要求 .

下表列出各等級的減速需求及最大液壓壓力 :

等   級
減速需求 ( ft/sec2)
最大液壓壓力 (psi)
1
4.0
1285
2
5.0
1500
3
6.0
1750
4
7.5
2050
MAX AUTO
1.1
3000
RTO
---
3000
以等級 3 為例, 若落地速度不大, 又啟用逆推力系統來幫助減速, 可能早達到 6.0 ft/sec2 減速需求, 甚至可以不必用到煞車. 相反的, 若速度很快, 又逆推力系統故障, 那麼自動煞車系統就要增加煞車的液壓壓力, 但是最大不會超過 1750 psi (即使這時減速需求達不到 6.0 的標準, 也沒辦法了).

飛行員在準備降落時, 可以先選到 1, 2, 3, 4, 或 MAX AUTO 的位置, 只要飛機一觸地, 油門一收, 自動煞車就開始動作. 而 RTO 位置則是起飛時使用, 在飛機加速到速度超過 85 節後, 只要一收油門, 自動煞車系統就判定你要放棄起飛, 立刻就會啟動煞車.

另外飛機上也有類似汽車上手煞車 (Parking brake) 的裝置, 供停機時使用.以上所介紹的自動煞車控制鈕及手煞車裝置, 如下圖所示 :
讓你更認識B747-400所有系統和背後原理-2429



楼主 发表于 2014-11-26 22:18:20 | 显示全部楼层

防冰與防雨系統
(Ice and rain protection)

題外話
咋看這個標題的讀者可能會搞得滿頭霧水, 其實這裡所要談的是在惡劣天氣下 (下雨, 下雪, 穿雲飛行等), 確保飛行安全的措施. 其中最主要的兩項就是 : 防止機身結冰, 與保持飛行員良好的視線.

在結冰的過程中, 除了溫度要夠低, 濕度要夠大之外, 還有一點很重要, 就是空氣流動要慢 (流動的河水是很難結冰的). 在飛機上, 機翼前緣與引擎進氣口前緣, 氣流撞擊的地方, 會形成所謂的停滯點 (stagnation point). 此處空氣流速等於零, 是機身上最容易結冰的地方. 此外, 機翼結冰會降低機翼升力, 增加阻力, 而引擎進氣口結冰則會影饗進氣的順暢, 剝落的冰塊也可能打壞葉片, 所以這兩處有特別的防冰措施.

下雨時, 打在駕駛艙窗戶上的雨滴, 凝結在玻璃上的霧氣, 都會影響到駕駛員的視線, 如何減少這些影響, 也是這個單元要探討的主題.


結冰偵測器
防冰系統一直開著, 當然對飛機安全很好, 但是卻也會增加燃油消耗, 因此在 747-400 上裝了兩套的結冰偵測系統, 一方面可以對防冰系統進行自動控制, 一方面也可以提醒駕駛員結冰情況的產生.
讓你更認識B747-400所有系統和背後原理-7798

在偵測器上有一根突出的小棒 (上圖紅色部份), 小棒本身以一定的頻率振動. 若有結冰情況產生時, 附著於小棒上的冰塊會增加小棒的重量, 使得震動的頻率降低. 當頻率降低到某一程度時, 系統就會對小棒加熱, 讓所有附於其上的冰溶化, 使震動頻率恢復到正常狀況. 如此周而復始, 重覆結冰--->加熱--->結冰--->加熱 ....的過程. 藉著計算這些過程的次數, 系統就可以得知目前機上結冰的狀況, 藉此決定是否需要啟動防冰系統.


機翼與引擎進氣口防冰系統
讓你更認識B747-400所有系統和背後原理-8800
在機翼的前端結構裡, 埋了一根熱氣管, 此管接到機上的氣動系統, 並有一閥門來控制高壓熱氣的進出. 當閥門打開後, 氣動系統的高壓熱空氣便進入此熱氣管中, 並且由管上的小孔擴散到翼前緣的結構中, 藉此加熱翼前緣的部份, 防止機翼結冰. 熱氣最後會經機翼下方的小孔洩放到大氣中.

引擎進氣口的防冰系統與機翼的系統十分相似, 在進氣口周圍繞了一圈的加熱管, 也是利用氣動系統的熱氣來加熱, 而加熱完之熱氣則由整流罩下方的出口排出.


駕駛艙玻璃的防雨防霧系統
在這方面, 飛機上的系統其實與一般汽車上所用的大同小異.

首先在前方的窗戶上, 各有一個雨刷, 構造與汽車上的雨刷類似, 只不過比較粗壯, 窗戶下有兩個小小的突出物, 也可以噴出清潔液, 用來清洗玻璃. 比較特別的是, 飛機上有專用的潑水劑 (噴在玻璃表面, 可以減小雨水的表面張力, 使其不容易形成滴狀, 現在也有汽車在用), 可以隨時噴在玻璃表面. 不過也有些飛機裝用的玻璃, 其表面已經經過特殊處理,  不必再用潑水劑了.

至於防霧部分, 飛機上也是利用加熱絲的方式, 把玻璃加熱, 來防止玻璃起霧. 不過飛機上不會像汽車上弄了一根根粗粗的電熱絲, 妨礙飛行員的視線. 其實駕駛艙內的玻璃, 是一片片不同材質所黏貼而成 (所以稱駕駛艙 "玻璃" 其實並不太合適), 在一層層材質中, 其中就有薄薄一層是通電後可加熱的材料, 夾在玻璃間並不會影響透明度.


駕駛艙內的控制
整個 747-400 的防冰防雨系統, 可由底下所示的面板來作控制.
讓你更認識B747-400所有系統和背後原理-7064
1. Nacelle anti-ice switch控制引擎進氣口除冰系統的開關 (共有四個)
OFF : 關閉系統
AUTO : 交由系統依結冰狀況自動控制
ON : 強迫啟動除冰系統
2. Wing anti-ice switch控制機翼除冰系統的開關
OFF : 關閉系統
AUTO : 交由系統依結冰狀況自動控制
ON : 強迫啟動除冰系統
3. Rain repellent switch按下後可噴出潑水劑於玻璃表面
4. Window heat switch按下後可加熱前方玻璃
5. Windshield wiper selector控制雨刷的動作
OFF : 關閉雨刷動作
LO : 使用雨刷 (低速)
HI : 使用雨刷 (高速)
6. Windshield washer switch噴出清潔液於玻璃表面


楼主 发表于 2014-11-26 22:14:27 | 显示全部楼层

燃油系統
(Fuel system)

題外話
一般 747-400 用的燃油, 在航空界稱為 Jet-A1, 性質類似煤油, 燃點比一般汽油高, 揮發性也比較小.

以小蟹的加油經驗來說, 一般飛美國線的班次, 都必須加到一百二, 三十公噸左右, 換算成體積, 大概是 150,000 公升. 如果這個數字太大, 讓你沒有概念, 小蟹可以算給你聽 : 假設小汽車每公升汽油可跑 10 公里, 那麼這些油可以讓這台車繞地球 37 圈 !

如果你注意看小蟹的網頁內容的話, 你會發現這些油的重量, 竟佔了飛機總重量的三分之一, 如果再細心一點, 你還會發現飛機所能載人載貨的重量, 只佔總重的十分之一, 剩下大約二分之一, 才是飛機本身的重量. 這種重量上的比例特性, 可說是長程客機的通則.

飛機上的燃油除了用來供給引擎燃燒之外, 其實還有其他的功能. 例如引擎潤滑油及液壓油的冷卻, 就是靠油箱裡的燃油 (飛行中燃油幾乎都在攝氏零度以下, 落地後常可見到機翼表面結了一層薄薄的霜). 另外 GE 的引擎也用燃油來推動 VSV, VBV 的動作, 用於引擎的控制.


油箱
在老式的飛機上, 為了儲存燃油又不漏油, 所以是用塞在機體裡的橡皮囊當作油箱. 雖然橡皮囊會增加不少額外的重量, 不過以前的飛機飛不遠, 油也載不多, 油箱也小, 所以這種方式還能接受. 但現在的長程客機載油量驚人, 而且製造的技術也進步了, 所以都直接利用機體的結構來當油箱, 稱為結構油箱. 這樣就可以省下橡皮囊的重量, 不過在設計及製造過程中, 就要特別注意這些油箱的防漏工作.

747-400 上的油箱分佈及容量如下圖所示 :
讓你更認識B747-400所有系統和背後原理-5544
Center wing tank :
64973 公升
51978 公斤
#2, #3 main tank :
47492 公升
37994 公斤
#1, #4 main tank :
16550 公升
13240 公斤
#2, #3 reserve tank :
5004 公升
4003 公斤
tail tank :
12492 公升
9993 公斤
total :
215556 公升
172445 公斤
以上體積與重量之換算, 是以燃油密度 0.8 公斤/公升計
多數的客機多以機翼作為儲油空間, 尤其翼根部份比較厚, 更是主要的儲油區. 機身則多分配給載客與載貨的空間. 在 747 系列中, Tail tank 是在 747-400 之後才有的設計. 不過其設計純粹為儲油空間, 不像 MD-11 還利用 tail tank 內的油量來調整飛機的重心.

其中 #1, #2, #3, #4 main tank 及 Center wing tank 是主要的供油油箱, 內有燃油加壓幫浦, 可以供應引擎的用油. #2, #3 reserve tank 則會在飛行中分別注入 #2, #3 main tank. Tail tank 的油則是注入 Center wing tank 中.

在加油的過程中, 若操作人員疏失, 導至油加太滿時, 滿出來的油會流到 Surge tank, 一但偵測到 surge tank 內有油, 系統會中斷所有的加油動作, 以防溢出的油造成意外.


油箱油量的計算
不論是對飛行員或機上的系統來講, 飛機上的油量, 都是非常重要的參數. 除了用來計算飛機能不能在油用完之前到達目的地之外, 機上油箱油量的分佈, 也會影響飛機的平衡, 此外燃油是飛行中唯一會影飛機重量的參數 (總不會沒事丟個乘客或貨盤下飛機吧 !), 因此也是決定飛機是否超重的重要因素.

為了精確的得知油箱內的油量, 機上有一套專門的系統來計算油量. 首先介紹的是 tank unit. 它與汽車上用的油量計大致相同, 都是利用電容的原理, 來感測油面的高度. 不過 747-400 上共有七八十個這種 tank unit, 可以在飛機不同姿態下量到更精確的油面高度. 此外為了減小溫度變化對電容的影響, 另外還有所謂的補償器 (compensator) 可以把溫度效應減到最小.

有了 tank unit 及 compensator , 就可以得到每個油箱正確的燃油體積, 但是還需要有個密度計, 把體積換算成重量, 才符合我們的需求. 飛機上的密度計是利用一個浸在油裡的震動片來獲得. 當油密度改變時, 其黏滯係數 (液體的黏稠度) 也會跟著改變, 一併影響到震動的頻率 (密度越大, 黏滯系數越大, 震動頻率也越慢). 由此得知燃油密度之後, 就可以算出每個油箱內的燃油重量了.


引擎供油系統
油箱的油要進入引擎燃燒, 必須有一加壓系統, 也就是這裡要介紹的供油系統. 不過這只是一個初步的加壓系統, 在每個引擎上另外有個別的幫浦, 會再把這些油加壓, 注入燃燒室燃燒.

基本上 #1, #2, #3, #4 main tank 分別供應 #1, #2, #3, #4 號引擎的用油, 因此在每個 main tank 裡都有兩個加壓幫浦 (稱為 boost pump) 及個別的供油管路. 但是從前面的介紹裡, 我們知道 #2, #3 main tank 比 #1, #4 main tank 容量大多了, 因此有時候需要將 #2, #3 main tank 的油供到 #1, #4 號引擎燃燒. 為此在 #2, #3 main tank 裡, 加裝了兩個更有力的 override/jettison pump.

所謂 "override", 顧名思意就是 "騎上去", 因為此幫浦所產生壓力, 比 boost pump 大得多, 既使兩種幫浦同時運轉, 送到引擎的油也是多由 override/jettison pump 所提供. 至於 "jettison" 則是此幫浦的另一個功能, 留待洩油系統中在說明.

Center wing tank 也是依同樣的道理, 裝了兩個 override/jettison pump. 為了讓引擎能從不同的油箱來供油, 因此機上又設計了 cross-feed valve, 讓每個引擎的供油管路與其它油箱可以相通. 另外在 tail tank 裡也有兩個幫浦, 不過這並不直接用在引擎供油, 只是用來把 tail tank 的油傳到 center wing tank.

以上所介紹的幫浦及供油管路總結如下圖所示 :
讓你更認識B747-400所有系統和背後原理-3551
至於駕駛艙內的控制, 也相當一目了然, 只要熟悉上圖所示的管路分佈, 控制面板上各個按鍵的功能也不言可喻.
讓你更認識B747-400所有系統和背後原理-9110
1. #1 engine crossfeed valve switch控制 #1 引擎供油管路與其它管路的連通
2. #2 engine crossfeed valve switch控制 #2 引擎供油管路與其它管路的連通
3. Center wing tank pump switch控制 center wing tank 幫浦的運轉
4. #3 engine crossfeed valve switch控制 #3 引擎供油管路與其它管路的連通
5. #4 engine crossfeed valve switch控制 #4 引擎供油管路與其它管路的連通
6. #1 main tank pump switch控制 #1 tank boost pump 的運轉
7. #2 override pump switch控制 #2 tank override/jettison pump 的運轉
8. #2 main tank pump switch控制 #2 tank boost pump 的運轉
9. tail tank pump switch控制 tail tank 傳油幫浦的運轉
10. #3 main tank pump switch控制 #3 tank boost pump 的運轉
11. #3 override pump switch控制 #3 tank override/jettison pump 的運轉
12. #4 main tank pump switch控制 #4 tank boost pump 的運轉

洩油系統
細心一點的讀者可能會注意到, 在標示飛機最大重量時, 常會分成 "最大起飛重量" 與 "最大降落重量", 而且兩者常常是不同的. 以 747-400 為例, 最大起飛重量 : 396,830 kg, 最大降落重量只有 : 285,710 kg . 這是因為降落時會承受比較大的衝擊, 自然重量的限制會比較大. 一般情況下, 飛機油量都經過仔細計算, 當飛機到達目的地時, 剩油並不會使飛機總重超過最大降落重量.

但是當飛機滿載起飛後, 萬一碰到機件故障, 需立即返回機場降落時, 可能就會發生飛機重量超過最大降落重量的問題, 這時只有把燃油洩出, 降低飛機總重. (總不能把客人貨物空投罷 !), 因此飛機上設計了洩油系統, 來應付這種特殊狀況 (否則就只有兜圈子, 讓引擎來燒掉過多的剩油了).

駕駛艙內對洩油的控制如下 :
讓你更認識B747-400所有系統和背後原理-4075
1. Fuel to remain selector用來設定機上的剩油
2. Fuel jettison control selector選擇洩油系統的控制電路 (A 或 B)
3. Fuel jettison nozzle valve switch洩油開關 (左,右)
747-400 上共有兩套控制洩油的控制電路 (A, B), 一旦飛行員決定執行洩油, 就會將 . Fuel jettison control selector 由 "OFF" 選到 "A" 或 "B" 的位置, 再由  Fuel to remain selector, 設定飛機上要留下多少油, 此時所有的 override/jettison pump 已自動開始運轉, 只要最後再按下 Fuel jettison nozzle valve switch, 油箱裡的油就會經由 override/jettison pump 加壓, 由位在翼尖的放油管排出機外. 一旦機上的剩油到達設定值, 洩油動作自動停止.


楼主 发表于 2014-11-26 22:11:22 | 显示全部楼层

火警偵測及滅火系統
(Fire protection)

題外話
"火" 對飛機來講是個大敵, 一旦出現火警訊號, 必須當機立斷作出處置, 否則極可能導至大禍.

除了引擎, APU 之類本來就在 "燒火" 的地方外, 飛機上還有許多地方都有起火的可能, 在這個單元裡要介紹的, 就是 747-400 上對火災的防護措施.


偵測器原理
對火警的偵測, 一般還是從 "熱" 及煙霧兩方面著手, 不過用在飛機上, 還是有許許多多不同種類的偵測器.
氣體膨脹式
讓你更認識B747-400所有系統和背後原理-796
基本上探測管本身是一條細細的金屬管, 管中充滿了氣體 (通常用惰性氣體). 當遇到高熱時, 氣體就會膨脹使管內壓力增加. 當溫度上升, 壓力增加到某一程度後, 壓力感測器就會送出火警訊號.

不過這種方式有個盲點, 就是當火燄範圍還小的時候, 雖然溫度夠高, 但因為加熱區只集中在一小部份, 膨脹的氣體尚不足以產生足夠的壓力讓壓力感測器發出火警訊號. 為了改進此缺點, 於是在管中加了一條氣體釋放物質. 這種物質在遇到高熱時會放出大量氫氣, 既使是小範圍的火警也能夠產生足夠的壓力, 讓感測器發出訊號.

這類的火警感測器頗為精密, 一般都裝在引擎, APU 等比較重要的地方.

電流導通式
讓你更認識B747-400所有系統和背後原理-563
這類的感測器構造相當簡單, 就是在管子裡 (通常是金屬管) 塞滿一種鹽基陶瓷的物質. 這種物質在一般溫度下是不導電的, 但在溫度升高後, 就會起化學變化, 變成導電的物質.

若想應用此原理做成警報器, 只要在管子裡埋兩根平行的導線, 兩端通上電流, 再裝個電流感測器即可 (或是直接用金屬外壁當作其中一條導線). 在正常狀況下, 鹽基陶瓷是不導電的, 兩根導線間形成斷路, 因此電流感測器是量不到電流的. 當火警產生時, 鹽基陶瓷受熱, 開始變成導電物質後, 在感應器上就會量到電流, 進而發出火警警告了.

這類偵測器有用在輪艙裡, 也有用在引擎或 APU 中.

雙金屬片式
金屬受熱會膨脹, 長度會增加, 但每一種金屬的膨脹程度卻不儘相同. 若將兩片不同的金屬片黏合在一起, 當受熱延展時, 不同的膨脹係數, 就會使得此雙金屬片往膨脹小的一邊彎曲.

利用此原理可以作成電路上的開關, 利用感測電流的方式, 就可以作成警報器了.

煙霧偵測器
以上所介紹的偵測器, 都是針對火源發出的熱, 來作偵測. 但在廣大的空間裡, 要偵測出遠處火源的所散發的熱, 是不太實際的, 因此我們利用火燃燒所產生的煙霧, 作為偵測火警的另一個方式.
讓你更認識B747-400所有系統和背後原理-3241
首先在密閉的一個盒子裡裝上一個光源及感光器, 不過光源不要直射感光器, 同時盒子也不可以反射光源. 在正常情況下, 感光器不會接收到任何光線, 也就沒有任何反應, 但當盒中的空氣中存在煙霧時, 這些粒子就會反射光源, 使得感光器作動, 進而發出火警警告.

在實際作法上, 還需要一套能抽取空氣樣本的抽風系統 . 只要能多裝幾個抽風口, 那麼只要少數幾個煙霧偵測器, 就可以監控大面積的火警偵測了. 飛機上的貨艙及廁所的火警偵測, 通常裝的就是煙霧偵測器.


滅火系統
目前飛機上用的滅火器多是採用俗稱海龍的氟氯碳化合物, 很不幸的, 這也是造成地球臭氧層破洞的殺手, 但在尚未找到更有效的滅火劑之前, 這類的化合物仍將使用在飛機上.

海龍是屬於易揮發的液體, 飛機上的滅火系統是將海龍裝入鋼瓶, 灌入高壓氣體, 並用管路連到需要噴灑滅火劑的地方. 平時鋼瓶與管路間是以金屬膜隔開, 使用時, 先以小電流引爆炸藥, 利用炸藥產生的氣流衝破薄膜, 讓鋼瓶內的海龍由高壓氣體推送到管路中, 噴灑於火場附近.


機體各部的防火系統
  • 引擎 : 在每個引擎的高壓壓縮器, 及燃燒室周圍, 總共佈了四條氣體膨脹式的火警偵測器, 其中三條稱為 Fire loop, 另一條稱為 Overheat loop. 其原理相同, 只是觸發火警的溫度設定不同, 因此有關引擎的火警訊號, 也分為 Fire 與 Overheat (起火與超溫). 至於滅火則是利用海龍滅火瓶, 每個引擎都配有兩個滅火瓶, 但是 #1, #2 號引擎是共用同樣兩個鋼瓶, 而 #3, #4 號引擎則共用另外兩個, 因此機上總共只有四個引擎用的滅火瓶.
  • APU : 在 APU 的周圍佈了兩條的氣體膨脹式偵測器, 及一個到兩個的海龍滅火瓶. 其操作與引擎大同小異, 比較特別的是, 除了駕駛艙內有警示及控制之外, 在機身外 (起落架附近) 也有警笛及控制面板, 讓在地面工作的維修人員, 可以立即採取滅火動作.
  • 主輪艙 : 在收納主輪的輪艙裡, 也安置有電流導通式的火警偵測器.(至於這裡為何需要安置火警偵測系統, 我也不是很清楚, 可能是因為有煞車過熱的顧慮, 或是有高壓空氣管路在附近的原因吧 !). 不過這裡並沒有滅火系統, 一般是建議飛行員放下起落架, 讓外界的風來滅火 (或冷卻) .
  • 氣動系統管路 : 氣動系統的管路一但破裂, 裡頭高溫高壓的氣體就會衝出. 雖然還不至於到起火的程度, 但還是會對周圍的電線, 結構等造成損傷, 因此此偵測系統的功能, 主要在偵測是否有漏氣. 雙金屬片式的偵測器遍佈氣動系統管路周圍, 一旦有漏氣現象, 飛行員會關閉該邊的氣動系統, 以防災害擴大.
  • 貨艙 : 貨艙內的火警偵測是採用煙霧偵測器. 前後貨艙總共使用四個海龍滅火劑. 不過比較特別的是, 當飛行員按下滅火劑釋放鍵時, 只有兩個滅火瓶會立刻打出, 剩下的兩瓶在三十分鐘後才會自動打出, 而且是持續而緩慢的釋出, 可維持 150 分鐘, 飛行員要在這總共 180 分鐘的時間裡, 盡可能找到機場降落.
  • 客艙 : 基本上客艙裡並沒有安裝火警偵測器 (機上那麼多雙眼睛 !) 唯一的例外是廁所裡. 在廁所裡頭有煙霧偵測器, 一旦有煙霧會發出警告聲響. 客艙內備有小型滅火瓶供機上人員機動使用.

駕駛艙內的控制
讓你更認識B747-400所有系統和背後原理-1759
1. Engine fire switch每個引擎各有一個, 當有火警時, 紅色的數字就會亮起. 飛行員將此把柄往外一拉, 則會停止供油, 並切斷該引擎所產生的電力, 液壓, 氣動等系統. 拉出後往左一轉, 會擊發一個滅火瓶, 往右一轉會擊發另一個滅火瓶.
2. Engine fire bottle discharged light若滅火瓶已擊發, 此燈會亮起.
3. APU fire switch當有火警時, 紅色 "APU" 字樣就會亮起. 飛行員將此把柄往外一拉, 則會停止供油, 並切斷  APU 所產生的電力, 氣動等系統. 拉出後往左一轉, 會擊發一個滅火瓶, 往右一轉會擊發另一個滅火瓶.
4. APU fir bottle discharged light若滅火瓶已擊發, 此燈會亮起.
5. Cargo fire extinguishing armed light前後貨艙的火警顯示 (有火警時, "FWD" 或 "AFT" 字樣會亮起), 按下該鍵則會切斷貨艙加熱功能, 並準備擊發滅火瓶.
6. Cargo fire bottle discharge switch擊發貨艙的滅火瓶


楼主 发表于 2014-11-26 22:07:22 | 显示全部楼层

緊急逃生裝備
(Emergency equipment)

題外話
飛機上其實是一個蠻危險的場所, 脆弱的機身, 裝滿油料的機翼, 佈滿電線的通道.....(希望不要嚇到各位搭機的乘客才好), 因此在飛機安全堪慮 (如迫降, 起火) 的情況下, 第一要務就是疏散旅客, 離開飛機.

以目前全球民航界的老大 -- 美國聯邦航空總暑 (FAA) 所訂定的規範來講, 機上的所有乘客, 在緊急事故中, 必需能夠在 90 秒鐘內全部疏散完畢. 為達到此一要求, 除飛機設計上必須考慮逃生裝備外, 航空公司也必需提供訓練有素的空服員來操作這些裝備, 並協助乘客疏散, 才有辦法達到此一要求.

底下就是機上逃生裝備的介紹.


緊急疏散信號
疏散信號必需在飛機停穩後 (總不能在飛機還在滑行時, 就叫乘客疏散吧 !), 而且確定有緊急疏散必要時, 才會發出. 那麼由誰來發呢 ? 機長與座艙長 (空服員的頭頭) 都有權利發出疏散的命令, (機長在上艙, 座艙長在下艙, 機長可以掌握飛機系統狀況, 但對底下客艙狀況的了解, 就不如座艙長). 雖然機長有最後的決定權可取消座艙長的命令, 但我想一般的機長是不會這樣作的.

疏散信號發出後, 位於門邊的面板, 就會發出高頻的嗶嗶聲, 及閃動的燈號, 位於門邊的空服員就會開始協助乘客進行疏散的動作. 底下介紹的是駕駛艙內的控制面板 :
讓你更認識B747-400所有系統和背後原理-9004
1. Evacuation signal command switch控制疏散信號的開關 (有紅色蓋子保護)
ON : 發出疏散信號
ARM : 將控制權交由下艙的座艙長控制
OFF : 關閉所有疏散信號
2. Evacuation light有疏散信號發出時, 會一閃一閃
3. Horn shutoff switch關閉喇叭的嗶嗶聲 (因為很吵)
4. Horn發出嗶嗶聲的喇叭

緊急照明
在緊急事故的情況下, 機上可能已無法供電, 黑漆漆的客艙內, 就需要緊急的照明來幫助乘客逃生.這些緊急照明由各別的電池來供電. 在機上供電正常的情況下, 這些照明都不會亮起, 而電池則趁機充電. 一但飛機電力中斷, 這些燈就會由電池供電,  一般可以維持 15 分鐘以上的照明.

除了由天花板上往下照的燈光外, 沿著走道的地板上, 也會亮著整排的小燈, 讓乘客辨識走道的方向, 到了門口則會有 "出口 (EXIT)" 的標示, 並且會有燈光照著即將要跳下的逃生滑梯   (Slide).

在各空服員座位附近, 都會有手電筒, 以方便空服員操作機上裝備, 及疏散乘客時使用.


逃生滑梯
一般飛機距地面都蠻高的, 讓乘客下到地面最快的方法, 莫過於溜滑梯了. 因此飛機上每個門邊, 都裝有逃生滑梯 (既使上層客艙也不例外).

緊急疏散用的逃生滑梯, 屬於橡膠充氣式, 平常折疊成一小包藏在門裡, 一端就連在飛機上. 只要門一打開, 整包就從門裡掉出來, 掛在機體的門框上. 在兩三秒中內, 高壓氣瓶內的氣體就會把整個逃生滑梯充氣成型, 供乘客逃離飛機.當飛機迫降水面時, 只要將逃生滑梯從機上解開就成了救生艇了. 艇上會有遮雨的帆布, 及一些海上求生用品.

在跳下逃生滑梯時, 高跟鞋可能戳破橡皮, 裸露的皮膚可能會因磨擦而破皮或灼傷, 因此最好上飛機時, 不要穿高根鞋, 並著長袖衣物.


駕駛艙的逃生口
在駕駛艙上方 (第二觀察員的頭頂位置), 有一個可以打開的小艙門, 其旁則有四根附緩降裝置的繩索. 駕駛艙內乘員可由此下降到地面, 不過通常是由上層客艙的逃生滑梯會比較快, 這是最後的選擇.


楼主 发表于 2014-11-26 22:05:18 | 显示全部楼层

艙壓控制系統
(Pressurization)

題外話
大家都知道, 高度越高空氣越稀薄. 一般國際航線的巡航高度約在 35000 英呎左右, 在這樣高度下, 空氣密度只剩平地的三分之一, 壓力則只有四分之一左右. 一般乘客是無法忍受這樣的大氣環境的, 因此有必要把座艙內空氣加壓, 讓乘客不至於太難受.

不過若一味把座艙壓力保持在平地大氣壓力的作法, 其實是很不經濟的, 因為內外壓差越大, 機身結構就要設計的越堅固, 也就要增加很多重量. 此外加壓系統也要消耗很多能量來作加壓動作, 機身上接縫的氣封也要做的比較精密, 才不會 "漏氣", 這些都會增加飛機的營運成本.

因此在乘客舒適與經濟因素的雙重考量下, 設計師犧牲一點乘客舒適度, 稍微降低座艙壓力, 來換取經濟效率, 所以才會造成許多人搭機不適的經驗. 不過大家也不用太擔心會受不了, 小蟹用底下的例子來說明好了, 在 35000 呎的巡航高度下, 座艙壓力大約跟你在七星山 (陽明山系最高峰, 1120 公尺)時相同, 即使在 747-400 最大飛行高度 (45000 呎)下, 座艙壓力也不過跟在阿里山上一樣, 相信這種壓力應該大多數的人都能適應.


基本觀念
既然需要對座艙加壓, 我們就需要一個壓縮器來做這個工作. 在 747-400 上, 這項工作就交給引擎或 APU 上的壓縮器來完成, 也就是說把氣動系統的高壓空氣灌到座艙裡, 當然中間要經過空調包來降溫, 才可以供到座艙來.

座艙裡的乘客需要源源不絕的新鮮空氣, 因此空調包是時時都開著, 飛機設計師另外在機身後方開了兩個洞, 裝上可開關的閥門, 藉著這兩個閥門的開關, 來控制座艙內的壓力. 當需要減低艙壓時, 就把閥門開大一點, 讓空氣洩掉, 而當需要增加座艙壓力時, 就把閥門關小一點,  這兩個閥門稱為 Outflow valve.

747-400 機身結構設計上可承受 8.9 psi (磅重/平方英吋)的正壓差 (內壓力大於外壓力), 艙壓控制系統會在這個極限內, 讓艙壓維持在乘客最舒適的程度. 為了避免艙壓失控造成結構受損, 機上另外有兩個洩壓閥 (Positive pressure relieve valve), 當壓差超過 9.25 psi 時, 就會自動打開, 把壓力洩掉. 同時關掉一個空調包, 以減少進氣量.

機身結構除了有 "正壓差" 的限制外, 其實更怕 "負壓差" (機內壓力比外界小). 想想一個裝滿可樂的鋁罐, 可以承受多大的力量, 整個人站上去都沒問題, 但是一個空鋁罐卻經不起手指的輕輕一捏...... 所以在每個貨艙門上都裝有向內開啟的活門, 一但外界壓力大過機內壓力, 就會自動打開, 讓內外壓力相通, 免得飛機被壓扁了.

以上所提到的一些閥門位置, 總結如下圖所示 :
讓你更認識B747-400所有系統和背後原理-7177

控制流程
首先要介紹艙壓所使用的度量單位. 在航空界並不直接使用一般壓力的單位(如先前的  psi, 或氣象報告中的毫巴) 來表示艙壓的大小, 而是用所謂 "座艙高度 (Cabin Altitude)"來表示. 例如 "座艙高度 10000 呎", 表示目前座艙內的壓力 , 相當於 10000 呎高空的大氣壓力, (與目前飛機的飛行高度沒有直接關係, 因為座艙有加壓, 壓力比外界大氣壓力高), 相信這會比直接告訴你 "座艙壓力 697 毫巴" 或 "艙壓 10.11 psi", 要來得有意義

底下就是一般飛行狀況下, 座艙高度的變化情形 (簡圖) :
讓你更認識B747-400所有系統和背後原理-3087
若艙壓控制系統能從 FMC 得到此次飛行計劃, 就可以據此定出座艙高度的變化, 若得不到 FMC 的資料, 則會依據系統內定的一些規則來定出艙壓變化. 總之, 艙壓系統會根據起飛及降落機場的高度, 在不超過機體結構限度下 (8.9 psi 的壓差), 保持最低的座艙高度, 並且在期間緩慢變化.

在 747-400 的最大飛行高度 (45000 英呎), 內外壓差 8.9 psi 的情況下, 座艙高度應該在 7300 英呎左右, 若超過此高度則表示控制系統已經失控 (或機身破了個大洞). 在座艙高度超過 10000 英呎 (約合歡山的高度)時, 就會對飛行員提出警告, 並且自動將 Outflow valve 關閉, 以維持艙壓. 若艙壓仍持續降低, 則到了座艙高度超過 14000 英呎時, 客艙內的氧氣面罩就會自動掉下, 不過這又是另一個故事, 留待氧氣系統中說明了.


駕駛艙內控制
讓你更認識B747-400所有系統和背後原理-7765
1. Landing altitude mode selector switch取消 FMC 所設定的落地機場高度, 改為手動設定
2. landing altitude selector以手動方式設定落地機場高度
3. Left outflow valve position indicator左邊 Outflow valve 位置顯示
OP : open
CL : close
4. Left outflow valve manual switch將左邊 Outflow valve 切換為手動控制
5. Outflow valves manual control以手動方式控制左右 Outflow valve 之開啟或關閉
6. Right outflow valve position indicator右邊 Outflow valve 位置顯示
OP : open
CL : close
7.  Right outflow valve manual switch將右邊 Outflow valve 切換為手動控制
8. Cabin altitude control selector艙壓控制系統共有 A, B 兩個控制電腦, 可選擇一般模式 (NORM) 或強迫由 A 或 B 系統來控制.


楼主 发表于 2014-11-26 21:58:52 | 显示全部楼层

空調系統
(Air condition
ing)

題外話
整架飛機是個大鐵殼, 當夏天停在大太陽下時, 內部溫度可能超過 40 oC, 相反的, 當飛機在 35000 呎的高空巡航時, 外界溫度可達零下 60oC, 而大氣壓力只有平地的四分之一. 在這麼極端的環境變化下, 就是靠飛機上的空調系統來保持機內舒適的環境. 所以空調系統有兩個主要的功能 : 調節溫度及保持座艙壓力. 在這篇文章裡, 要談的是溫度調節的部份, 至於艙壓部份則留待下篇文章討論.


空調包 (Pack)
在介紹整個空調系統前, 必需先對擔任要角的空調包 (Pack)有一個初步的了解.

首先要了解, 機內的空氣並不是直接取用外界的空氣, 而是從引擎或 APU 所引出的高壓氣體, 也就是先前所提到的氣動系統而來 (當然追根究底起來, 還是引自外界大氣). 氣動系統的高壓空氣溫度高達攝氏一百多度, 因此空調包的工作就是把溫度降下來, 以日常生活用語來說, 就是一台冷氣機.

一講到冷氣機, 有人就會問 : 那飛機多久要換冷媒啊 ? 冷氣效率好不好 ? 要回答這些問題, 請先看下圖所介紹空調包的運作原理 :
讓你更認識B747-400所有系統和背後原理-5791
所有冷氣機的原理都是相同的. 根據熱力學原理, 熱量都是由溫度高的地方傳到溫度低的地方, 但今天房子裡的溫度本來就比外面高, 又如何把屋內的熱量傳到外面去呢 ? 於是人們想到, 先把冷媒加壓, 讓其溫度升高, 高到比屋外空氣還高時, 就可以把熱量傳到外面空氣了, 之後再讓冷媒膨脹, 回復到原來的壓力, 這時後溫度就可以降下來, 降到比屋內空氣還低的溫度, 於是冷氣機就此誕生了.

飛機上的空調包也是運用相同原理. 高壓空氣由氣動系統引出後, 第一步就是先到主熱交換器, 利用外界空氣降溫, 之後便進入壓縮器中. 在壓縮器中, 空氣再度因加壓而溫度升高, 再送到次熱交換器, 進行進一步降溫. 之後空氣便進入渦輪, 除利用膨脹可再進一步降低溫度之外, 也藉著推動渦輪的旋轉, 帶動前面的壓縮器. 如此便可不藉外界動力而自行運轉.

空氣在進入渦輪前, 會經過一個分岔的管路, 此管路中間接了一個閥之後, 又匯入由渦輪出來的冷空氣中. 因此機上系統可以藉由閥的開關, 控制進入渦輪的空氣流量. 當此閥關閉, 則所有氣流都流經渦輪, 降溫效果最好. 若此閥打開, 則大部份空氣不經渦輪, 溫度就會高一些. 因此此閥被稱為控溫閥. 一般由空調包出來的冷氣, 可降到 0º C 左右 (太低會結冰也不好).

747-400 機上共有三個空調包, 位於機身下方 (在機翼附近), 在外觀上可以看到三個冷卻用的外界空氣入口及出口.

調溫系統
讓你更認識B747-400所有系統和背後原理-7511
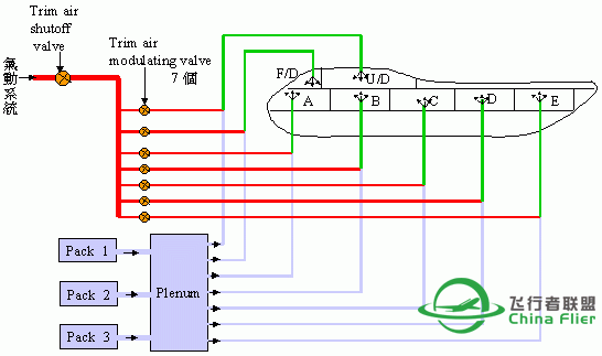
由三個空調包出來的冷空氣會先匯集在 Plenum, 混合後再分配到機上各區域. 在 747-400 上, 調溫系統的控制共分成七個區域, 在主客艙分成 A, B, C, D, E 五區, 在上層客艙則分為駕駛艙 (F/D)及客艙 (U/D)兩部分. 不過在這些冷空氣進入客艙前, 會先與氣動系統來的熱氣先混合, 再送到客艙中, 這些熱氣稱為 Trim air. 至於該混合多少熱氣, 則視各艙所設定的溫度與目前的溫度而定. 機上的調溫系統可以藉著控制 各區的 Trim air modulating valve 的開關, 將機艙內的溫度控制在所設定的溫度上.

這些空調管路都在座位上方, 冷氣由乘客上方進入客艙後 , 便會沿著靠壁座位下方的通風口, 進入貨艙中循環. 由於在高空中外界很冷, 客艙中舒適的溫熱空氣, 到了這裡也會被冷卻下來, 甚至到零度以下. 為此在貨艙部份另外設計了加熱系統, 不過為了減少能源的消耗, 只讓貨艙溫度保持在 4°C 左右, 這也就是為什麼你剛從機上拿下來的行李會冷冷濕濕的原因了. 不過也有個例外, 散艙部份原本就是設計用來運載活體動物的, 溫度可以調到二十幾度, 只要通知航空公司的人員, 就不必擔心你可愛的狗狗, 貓咪, 小烏龜, 眼鏡蛇..... 被凍僵了.

進入貨艙後的空氣有兩個出處, 一是由循環風扇 (Recirculation fan) 帶回 Plenum, 再度進入客艙循環利用, 如此可以減低空調包的空氣供應量, 減少能源消耗, 比較省油. 第二個途徑就是排出機外了, 至於排放的量則視艙壓的大小而定, 這一部份會在艙壓系統部份作說明.

駕駛艙內的控制
讓你更認識B747-400所有系統和背後原理-5072
1. Passenger temperature selector用來設定客艙內的溫度
2. Flight deck temperature selector用來設定駕駛艙內的溫度
3. Zone reset switch若調溫系統出了問題, 底下 "SYS FAULT" 燈會亮起, 若故障已排除, 可按此鍵作 "重設定" (reset) 動作
4. Trim air switch控制 Trim air 的總開關
5. Recirculation fan switch控制循環風扇的開關
6. After cargo heat switch控制後貨艙加熱系統的開關
7. Equipment cooling selector選擇電子艙冷卻系統的運作模式
8. High flow switch使空調包進入 "High flow"模式, 增加空氣流量
9. Pack reset switch若空調包運作有問題, 底下 "SYS FAULT" 燈會亮起, 若故障已排除, 可按此鍵作 "重設定" (reset) 動作
10. Pack control selector控制空調包的開關

楼主 发表于 2014-11-26 21:53:51 | 显示全部楼层

黑盒子

題外話
每次一有飛機失事, 大家就開始關心 "黑盒子找到了沒 ?", 究竟黑盒子是如何集三千寵愛於一身, 且聽小蟹一一道來.
讓你更認識B747-400所有系統和背後原理-5345 座艙通話記錄器
A100S SSCVR, Fairchild
http://www.l-3ar.com/html/a100s.html
首先必須正名的是, "黑盒子" 一點也不 "黑", 而且還 "紅" 得很, 看看上面的圖片就知道了. 一般講的黑盒子, 是指座艙通話記錄器 (Cockpit Voice Recorder, CVR), 不過在現代中大型客機上 (當然包括 747-400) , 為了能獲得更多的失事當時狀況, 通常會再增加一種 --- 數位飛行資料記錄器 (Digital Flight Data Recorder ,DFDR). 兩者在外觀上幾乎一樣.

為了能在歷經浩劫後倖存, 各家製造公司無不使出渾身解數, 讓黑盒子練就一身金鐘罩, 鐵布衫的功夫. 耐震防摔, 防火防熱, 防水耐壓都是基本功. 此外裝在飛機上的位置也有關, 目前 747-400 是裝在飛機尾部 (大概是因為摔飛機通常是頭朝下吧!)

為了讓搜索人員能容易找到黑盒子 (所以不能把外殼真的漆成黑色吧), 在黑盒子前方裝了一具發報機 (圖片中面板右側, 高約 1/2 高度的銀白色圓桶狀東西). 此發報機 "遇水則發", 當黑盒子落入水中 (或消防隊噴水)時, 就會發出固定頻率的脈波, 搜救人員可用專門之儀器接收. 不過其電池壽命大約只夠支撐 30 天, 30 天後要想找到黑盒子, 恐怕是難上加難.

最近新型的 CVR 及 DFDR 已捨棄使用磁帶, 而改用記憶晶片代替. (大概是因為磁帶容易被外界磁場消磁吧 !)此種型式稱為固態 (Solid State),  除了解讀時需用不同的儀器外, 對維修人員使用上並無不同.


座艙通話記錄器 (CVR)
CVR 簡單講就是錄音機, 它會錄下座艙內所有的通話及聲音, 不過它的記錄時間只有三十分鐘, 採循環式設計, 因此只有失事前三十分鐘內的記錄 (除非失事後機上還有電, 錄音帶會繼續跑).

CVR 的錄音帶上共有四條音軌 :
第一軌 : 記錄第一觀察員 (First Observer) 的通話
第二軌 : 記錄副駕駛 (First Officer)的通話
第三軌 : 記錄正駕駛 (Captain)的通話
第四軌 : 透過座艙內的麥克風, 記錄座艙內所有聲音

前三軌所記錄的通話, 包括飛行員嘴邊麥克風所接收到的任何聲音 (既使不按發話鍵也會記錄), 以及該員在 Audio control panel 上所選擇監聽的各通訊頻道. 而第四軌主要是記錄座艙內的各種的警告聲響, 及外界的聲音.

前面提到只要飛機上有電, CVR 就開始錄音, 是無法由座艙內控制的. 不過座艙內倒是有個按鍵可以把錄音內容洗掉, 但條件是飛機停在地上, 且 "手煞車"(Parking Brake)要拉起, 飛行員是無法在空中任意把錄音內容洗掉的.
讓你更認識B747-400所有系統和背後原理-1095
1. Headset jack測試用的耳機插孔
2. Erase switch洗掉錄音內容
3. Test switch測試用按鈕
4. Monitor indicator用來顯示測試結果

數位飛行資料記錄器 (DFDR)
DFDR 則會記錄重要的飛行資料. (如飛機高度, 速度, 姿態, 加速度等).DFDR 也是採循環式設計, 不過時間長達 25 小時.

整個飛行資料記錄系統, 除了記錄器外, 其實還包括飛行資料擷取電路板及加速度測量器. 擷取電路板收集了各項飛行資料及使用中的無線電頻率, 再加上加速度測量器所量到的飛機的加速度資料, 送到 DFDR 記錄.

DFDR 並不像 CVR 一樣只要飛機有電就開始記錄, 只有當飛機在空中, 或是任何一個發動機啟動後, DFDR 才會開始記錄, 如此可以避免記錄一些沒有用的數據 ( 就算有 25小時的記錄時間也不能亂用). 此外座艙內也沒有任何控制 DFDR 的按鍵, 也沒有辦法洗掉記錄.


楼主 发表于 2014-11-26 21:51:06 | 显示全部楼层

自動駕駛系統
(Autopilot)

題外話
飛行, 實在不是一件簡單的事情, 就拿最基本的轉彎來說好了, 飛行員首先要打副翼讓機身傾斜, 同時要適度的踩方向舵, 避免 Adverse Yaw 的產生, 在手忙腳亂的當頭, 還要注意是不是掉了高度, 慢了速度, 升降舵, 油門都不能閒著. 好不容易才開始平穩的轉彎, 馬上又到了我們要的機頭方向, 於是又是一陣手忙腳亂, 把飛機改回平飛狀態.

現在有了自動駕駛, 要轉彎, No problem ! 用兩根手指, 轉動一下旋鈕, 要往那個方向飛, 就往那裡飛, 而且又平又穩. 若再加上個飛行管理電腦, 先把飛行路徑設定好, 甚至
連轉旋鈕的動作都可以免了. 這麼神奇的功能, 就是本單元要介紹的自動駕駛.

運作架構
整套自動駕駛系統的核心, 是三部飛行控制電腦 (Flight Control Computer, FCC). 每部 FCC 都是可以獨當一面的大將, 只需一套就可進行自動駕駛控制.  FCC 接受各方的訊號, 決定飛機該如何飛, 再去控制飛行控制面, 來迎合飛行員的要求.

不過 747-400 上的飛行控制, 都還是傳統機械式的傳動, 因此 FCC 所發出的電的訊號, 必需有另一組機件來執行, 就是所謂的伺服器 (Servo). 伺服器可以利用液壓作為動力 (液壓唧統, piston), 將 FCC 過來的電訊, 轉換為機械運動, 藉此來控制各飛行控制面.

在飛行三軸的主要控制面上 (副翼, 升降舵, 方向舵) 都裝有伺服器, 可供 FCC 來控制, 但在飛行中, FCC 僅對副翼及升降舵作控制, 方向舵的控制就直接交由 Yaw Damper , 用來做協調轉彎之用. 只有在降落過程中, 飛機觸地時, FCC 才會用方向舵的伺服器, 來作對正跑道的動作 (因為在地面上, 方向舵與鼻輪轉向是同步控制的).
讓你更認識B747-400所有系統和背後原理-1721
FCC 發出的控制訊號, 除了可以給伺服器動作外, 也可以顯示在 PFD 上, 稱為 Flight Director (FD). 這是一組紫紅色的十字線條, 在自動駕駛失效時,   可以給飛行員手動駕駛時一個參考.


控制功能簡介
自動駕駛系統把飛行控制面的控制分成兩個部份, 一是屬於平面上的方向控制, 因為這部份是由副翼控制 Roll 軸上的運動來達成, 因此稱為 Roll Mode. 另一部份是高度方面的控制, 因為是由升降舵控制 Pitch 軸上運動來達成, 因此稱為 Pitch Mode. 若再加上自動油門控制 (Autothrottle mode), 這三個部份就組成自動駕駛的整個運作.

以下就整個飛行的幾個階段, 來簡述自動駕駛的應用 :

1. 起飛 :
雖然從對正跑道後, 自動駕駛就有能力接手飛機的起飛過程, 不過目前礙於法規的規定, 飛行員必需在離地 400 呎後才能啟動自動駕駛, 因此起飛過程無法使用, 但飛行員還是可以參考 Flight director 的指示來飛行.
2. 爬升, 巡航, 下降 :
在這個階段, 飛行員可以用不同的模式來操作自動駕駛系統, 他可以設定機頭朝某個方向飛, 以某個固定的速度飛行, 以某固定的垂直速度爬升或下降, 設定巡航高度等等, 或者乾脆交給飛行管理電腦全權處理.
3. 降落 :
當飛機接近降落機場, 並且已經捕捉到 ILS 的訊號時, 飛行員就可以啟動進場模示. 飛機會自動對準跑道, 依 ILS 設定的滑降角度降落, 有側風會自動修正, 在落地前會自動改平 (Flare), 落地後會自動修正滑行的路線 (免得衝出跑道), 等飛機減速後, 飛行員就會關掉自動駕駛系統了.


駕駛艙內控制
讓你更認識B747-400所有系統和背後原理-4775
1. Flight director switch (left)選擇是否將 FD 顯示於正駕駛的 PFD 上
2. Autothrottle arm switch啟動自動油門控制 (A/T)
3. Thrust switch讓 A/T 維持在爬升推力
4. Speed switch讓 A/T 使飛機保持 5. 中所設定的速度
5. IAS/MACH window顯示所設定的指示空速(或馬赫數)
6. IAS/MACH select switch用來切換顯示指示空速或馬赫數
7. IAS/MACH selector用來設定指示空速 (或馬赫數)
8. Lateral navigation switch將 Roll Mode 交由 FMC 控制
9. Vertical navigation switch將 Pitch Mode 交由 FMC 控制
10. Flight level change switch讓 A/T 協助飛機作空層轉換
11.Heading window顯示所設定的機頭指向
12.Heading selector最外層是用來設定轉彎傾斜的最大角度, 中間一層是用來設定機頭指向, 最內一層則是切換 HDG SEL 模式
(在 HDG SEL 模式下, 飛機才會朝設定的機頭指向飛)
13.Heading hold switch保持目前飛機機頭指向
14. Vertical speed window顯示目前所設定的垂直爬升速率
15. Vertical speed selector設定垂直爬升速率
16. Vertical speed switch以所設定爬升速率飛行
17.Altitude window顯示所設定的巡航高度
18. Altitude selector設定巡航高度
19. Altitude hold switch保持目前高度
20. Localizer switch以 ILS 中的 localizer 作 Roll Mode 的導航
21. Approach switch以 ILS 中的 localizer 及 Glide slope 分別作 Roll Mode 及 Pitch Mode 的導航, 直到飛機落地
22. Autopilot engage command switch啟動自動駕駛系統 (共有三套)
23. Autopilot disengage bar解除自動駕駛系統
24. Flight director switch (right)選擇是否將 FD 顯示於副駕駛的 PFD 上


楼主 发表于 2014-11-26 21:48:29 | 显示全部楼层
本帖最后由 player1104 于 2014-11-26 21:49 编辑


襟翼

功能概述
一般民航機在飛行過程中, 絕大部份的時間都是花在巡航 (Cruise)階段, 尤其像 747-400 這樣的長程客機更是如此. 因此在設計飛機之初, 機翼的設計都是以巡航時的狀況來考量, 想辦法用最小的機翼滿足巡航時的升力需求 (機翼越小 ---> 阻力越小 ---> 越省油 --> 成本越低 ---> 越賺錢 ---> 越 .....), 同時還希望巡航的速度越快越好.

但飛機在起飛及降落兩個階段, 卻又有完全不一樣的考量, 為了跑道長度及安全等因素, 我們希望飛機的速度越慢越好. 以巡航為考量所設計的機翼在這時候就顯得力有未殆  (速度不夠, 升力不足). 因此這時後就需要襟翼這一類的高升力裝置, 使飛機在如此的低空速下, 仍能產生足夠的升力.

至於要如何產生足夠升力, 傳統上可由底下幾個方面著手 :

  • 增加失速攻角 : 一般的機翼在失速以前都是攻角越大升力也越大, 因此想辦法延遲機翼失速的情況, 使其在較大的攻角才失速, 則飛機可以用較大的攻角來產生足夠的升力, 翼前緣襟翼 (Leading edge flap)的作用即在此.
  • 增加機翼弧度 (Camber) : 增加翼剖面 (airfoil) 彎曲的弧度, 可以增加升力產生的效率 (相同攻角下可以有較大的升力). 不過其缺點是會大幅增加阻力, 若是用在降落時, 正好可供飛機減速, 但在起飛時就不太適合了.
  • 增加機翼面積 : 747-400 的襟翼系統即充分利用了以上幾種方法, 而形成了複雜的機構. 總括來說, 747-400 的襟翼, 可增加 21% 的翼面積, 及提升 90% 的升力.



前緣襟翼
在結構上, 每邊機翼上各有 14 片的翼前緣襟翼, 其分佈如下圖所示.
讓你更認識B747-400所有系統和背後原理-2655
在構造上可分為兩種型式, 在最內側的三片, 稱為 Krueger flap, 在構造上比較單純, 就是把機翼下緣的平板伸出. 其它 11 片則為 Variable camber flap 型式, 伸出來的平板會成一弧形, 會有比較好的空氣動力特性.

不過在操作上卻分成 Group A, B 兩組 (請參考上圖所示). 當駕駛艙內的襟翼操縱桿擺到 1 度的位置時, A 組的 8 片 (兩邊共 16 片)  前緣襟翼就會伸出並到定位. 當操縱桿擺到 5 度後, B 組才會伸出. 另外當在地面上使用引擎反推力器 (Thrust reverser) 時, 由於氣流會反衝, 若這些前緣襟翼在伸出的狀況下, 則會自動收回, 以免結構受損.

在正常情況下, 翼前緣襟翼使用氣動馬達作為動力, 但也有電動馬達作為備份動力.


後緣襟翼
在構造上後緣襟翼可分成內外兩組, 所以兩邊機翼共有四組的後緣襟翼. 747-400 所使用的形式, 稱為 Triple-slotted Fowler flap. 所謂 "Fowler flap" 形式, 是指襟翼平時是 "藏" 在機翼中, 使用時才伸出來, 因此除了可以增加機翼弧度, 同時還可增加機翼面積, 一舉數得, 效率最好, 當然構造上會比較複雜. 至於 "Triple slotted" 則是因為襟翼本身分成三 "截", 每截之間恰好形成氣流的通道, 可以使流經機翼表面的氣流順暢, 延緩失速現象的產生. 底下是其示意圖.
讓你更認識B747-400所有系統和背後原理-6151
由於後緣襟翼的結構頗為複雜, 也蠻脆弱, 因此 747-400 對後緣襟翼設有特別的保護措施. 當放下襟翼時, 若飛機空速過高, 有損壞襟翼結構之虞時, 會自動將襟翼部份收回 (並非完全收回). 等空速降下後, 又會伸展到原來位置.

後緣襟翼使用液壓馬達作為動力, 但也有電動馬達作為備分.


控制機構
讓你更認識B747-400所有系統和背後原理-1516
在正常狀況下, 飛行員都是利用襟翼操縱桿來控制襟翼的收放. 操縱桿底下的感應器, 會把目前桿子的位置資料傳送給 Flap control unit (底下簡稱 FCU), 再由 FCU 下命令給各個馬達, 使前後緣襟翼分別移動到所需的位置. 在此同時, FCU 也會監控各襟翼收放的狀況, 提供各種警告或保護的功能 (例如之前所提到一使用反推力器, 前緣襟翼自動收回, 以及後緣襟翼在空速過高自動收回的功能).

此外飛行員也可切換到 Alternate control 模式, 改為手動操作, 直接控制電動馬達 (只能使用電馬達) 的運作. 當然這時就失去 FCU 的保護功能, 飛行員必須自行注意各襟翼之動態.


駕駛艙內之控制與顯示
襟翼操縱桿
讓你更認識B747-400所有系統和背後原理-3743

在發動機油門推桿的右側, 就是襟翼操縱桿. 在操作上, 共有 UP, 1, 5, 10, 20, 25, 30 共七個位置可供選擇. 在 UP 位置, 所有襟翼都在收回的位置. 當擺到 1 的位置時, 內側的 Group A 前緣襟翼會放出, 其餘則不動. 當放到 5 位置時, 所有前緣襟翼都會伸出, 而後緣襟翼則向後伸出, 但不會下垂. 在 10 位置之後, 則後緣襟翼開使下垂, 且 Triple slot 開始形成, 一直到 30 位置, 則所有前後緣襟翼完全伸展.

1, 5, 10, 20 這四個位置是供起飛時使用, 而 25, 30 兩個位置則專供降落時使用, 因為襟翼在這兩個位置時, 已幾乎完全伸展, 阻力大增, 並不適合於起飛時使用. 在起飛及降落階段, 機上系統都會檢查襟翼是否在正確位置, 若不是, 則會發出警告通知飛行員.

Alternate control switch
讓你更認識B747-400所有系統和背後原理-4852
1. Alternate flaps selector控制襟翼的收放 (RET : 收; EXT : 放; OFF : 停止)
2. Alternate flaps arm switch用來切換正常模式與 Alternate 模式, 此鍵按下後, 1. 的控制鈕才有作用.
3. Flap limit placard提醒飛行員在各襟翼位置時, 飛機空速限制的卡片.
襟翼位置指示
讓你更認識B747-400所有系統和背後原理-9932 襟翼位置指示位於 Main EICAS 的右下角處. 一方面有白色的長條圖示, 另一方面也有數字顯示. 不過若襟翼完全收起後, 這些顯示都會消失.


楼主 发表于 2014-11-26 21:44:12 | 显示全部楼层

方向舵
(Rudder)

功能概述
雖然方向舵在三軸控制上佔了一軸, 不過在實際飛行上, 除非是刻意作出特技飛行, 否則對民航機這種平穩飛行的飛機而言, 方向舵只居於輔助的地位. 不過這並不表示方向舵不重要, 在底下幾種情況, 就是方向舵發揮功用的時候 :
轉彎協調 (Turn coordinate)

當飛機在飛行中要轉彎時, 需要產生一向心力, 將飛機拉往要彎的方向. 但利用方向舵改變機頭指向的方式, 實際上並不是有效率的方式 (轉彎速率不大), 且會造成側滑 (Sideslip), 引起機上乘客不適 (想像一下汽車高速過彎時, 乘客臉頰貼在車窗上的模樣 !). 比較有效率的方式, 是用副翼將機身往轉彎的方向傾斜, 利用升力投影在水平方向的分力, 作為轉彎所需的向心力 (如下圖所示 ).
讓你更認識B747-400所有系統和背後原理-1103
當然這時若要保持高度, 就要稍微帶一點上舵, 增加一點升力, 使升力的垂直分力與重力平衡. 若要增加轉彎速率, 則傾斜的角度就要越大, 以增加向心力.

在使用副翼使機身傾斜的過程中, 機翼抬起的這一邊, 會因為升力的增加, 而產生較大的阻力, 而使機頭往機翼抬起的這頭擺. 以上圖為例, 這是一架正往右轉彎的飛機, 在使用副翼使飛機右傾的過程中, 左側機翼因升力增加而舉起, 但同時也因阻力增加, 而使機頭向左擺. 此種現象稱之為 Adverse yaw. 此時就要利用方向舵來克服此種現象.

一個 "正確" 的轉彎, 應該是不會有側滑的現象, 乘客在座位上, 除了感受到一點加速度外, 不會有左傾右傾的感覺. 總之在轉彎的過程中, 副翼與方向舵必需互相搭配使用, 才能完成一個完美的轉彎, 這就是 Turn coordinate.

Dutch roll
Dutch roll 是一種後掠翼飛機才有的特有現象. 不曉得大家有沒有玩過水上樂園的大型滑水道, 那種一面往前滑, 一面在圓形滑道裡, 不由自主的從左邊晃蕩到右邊, 再從右邊晃回左邊的感覺, 就有點類似進入 Dutch roll 的飛機.

在解釋 Dutch roll 現象之前, 必需先了解後掠翼的特性. 後掠翼的發明是為了穿音速的飛行, 雖然後掠翼在穿音速時會有比較小的阻力, 但同時其升力產生的效率, 也不如平直翼, 換句話說, 同樣面積的機翼, 後掠翼所產生的升力, 會比平直翼小. 從另一個角度看, 當後掠翼飛機遭遇側風或產生側滑時, 上風處這邊的機翼, 相對的後掠角度就變小, 因此升力會變大, 相反的, 下風這側的機翼, 後掠角度變大, 升力會變小. 最後的結果是使得飛機往下風側傾斜, 如下圖所示.
讓你更認識B747-400所有系統和背後原理-3646
有了這一層認識後, 接下來就來看 Dutch roll 的現象及成因. (下圖所示之飛機姿態, 乃為辨識方便而故意誇大, 並非真實狀態)
讓你更認識B747-400所有系統和背後原理-9002
  • 假設飛機在此處受一陣風吹襲, 使飛機往右傾斜, 由於 Adverse yaw 的緣故, 使機頭向左偏移, 準備進入 Dutch roll (事實上飛機在試飛, 測試其 Dutch roll 特性時, 飛行員就是將副翼往右猛打, 同時蹬左舵, 讓飛機進入 Dutch roll). 由於飛機往右傾斜, 其升力在水平方向的分力, 便將飛機往右拉, 形成側滑, 同時因升力的垂直分力小於重力, 故飛機高度會下降, 飛機往右下方滑去.
  • 在下滑過程中, 先前提到的後掠翼特性開始顯現, 右側機翼因在迎風面, 故升力增加, 飛機開始往左傾, 機頭因 Adverse yaw 開始往右擺, 但因此效應才剛開始作用, 因此仍維持機身右傾, 機頭左擺的姿態, 但其幅度比在 1. 中的姿態小得多. 此時飛機仍往右下滑去, 且因高度下降, 飛機會增加一些速度.
  • 在此飛機已滑到最低點, 飛機剛好左右平衡, 機頭擺正, 但因慣性緣故, 飛機持續往右側滑, 飛機左傾, 機頭右擺的效應仍持續作用. 此時因飛機速度增加, 升力會大於重力, 所以飛機在這裡會開始往右上方爬升.
  • 飛機開始成左傾, 機頭右擺的姿態. 升力的水平分量開始將飛機往左拉, 但因慣性緣故, 飛機此時還是向右側滑, 不過側滑的速度已經變小. 此時高度會增加, 速度略為減緩.
  • 飛機在此停止側滑, 同時爬到高點. 但此時呈機身左傾, 機頭右擺的姿態, 因此接下來飛機會開始往左側滑, 同時高度會下降, 與飛機在 1. 的情況類似, 只是左右相反.


於是重覆著 1. 到 5. 的步驟, 飛機就這麼一路晃來晃去, 可以想見機上乘員會有多麼不適. 因此在飛行中應避免 Dutch roll 的產生. 其方法也很簡單, 只要在飛機側滑的過程中, 用方向舵作一下修正, 停止側滑就可以了. 在像 747-400 這樣大型的客機上, 這項工作就交給稱為 Yaw damper 的電腦來負責.

側風降落
在降落時若遭遇側風, 將使得對準跑道的工作變得困難. 要修正側風的效應, 一般有兩種方法, 一是利用副翼傾斜機身, 利用升力的水平分量去抵消側風效應, 第二種方法則是利用方向舵將機頭擺向迎風面方向, 因為這樣有點像螃蟹橫著走路, 所以又稱 "蟹行法".

連結機構
讓你更認識B747-400所有系統和背後原理-2534
首先駕駛員踩動方向舵的動作, 會透過連桿機構帶動 Forward quadrant 的轉動. 接著再以長長的鋼繩連到垂直尾翼上的 After quadrant. 在這裡有一組彈簧機構, 提供力回饋及回正的功能, 稱之為 Feel and centering mechanism, 同時 Rudder trim 的功能也是由這裡來控制. 在此控制連桿一分為二, 分別用來控制上下兩片方向舵.

以上部方向舵為例, 連桿機構會連接到 Rudder ratio changer. 這是一組由 Stabilizer trim/Rudder ratio Module (底下簡稱 SRM) 所控制的機構. SRM 會接收飛機的空速資料, 決定方向舵所能擺動的角度 (速度越大, 方向舵所能擺動的範圍就越小, 底下會有詳細介紹), 再透過 Rudder ratio changer, 把控制連桿的動作幅度縮小, 再往 PCM 送.

PCM (Power control module) 接受這個縮減後的連桿動作, 據以控制液壓系統動力的進出, 進一步控制 Actuator 的伸長或縮短, 達到方向舵移動角度的控制. 除了接收飛行員踩動踏板的動作外, PCM 也會接收 Yaw damper module 的訊號, 控制方向舵的動作, 以抑制 Dutch roll 的現象的產生.


Rudder Ratio
由於方向舵操控系統使用液壓作為動力, 作用在方向舵上的空氣動力無法回饋給飛行員, 因此在高速情況下, 飛行員很容易作出操縱過度的動作. 為了預防這種情形, 747-400 上有一套機構, 可用來防止這種情況產生.

它的作法是在高速時, 把方向舵所能移動的角度範圍變小. 例如低速時, 方向舵最多可以向左右各打 32 度, 但在高速情況下, 飛行員踏板踩到底, 方向舵可能也只能打到 5 度而已. 底下就是方向舵角度範圍與飛機空速的關係 :
讓你更認識B747-400所有系統和背後原理-2810

駕駛艙內控制與指示
除了方向舵踏板之外, 駕駛艙內還有一個用來作 Rudder trim 的旋鈕與指示.
讓你更認識B747-400所有系統和背後原理-94
其旋鈕向左或向右旋轉, 即可用來微調方向舵, 而其上方就是方向舵 Neutral 位置的指示 (白色三角形所在).


楼主 发表于 2014-11-26 21:40:45 | 显示全部楼层

水平尾翼
(Stabilizer)

功能概述
水平尾翼除了作為 Pitch 軸上的安定面外, 另一個重要功能就是配平 (Trim). 我們在介紹升降舵時, 並未提到升降舵的配平 (Trim), 事實上在 747-400 上, Pitch 軸上的配平, 是靠移動整個水平尾翼來完成的.

基本上水平尾翼的配平, 來自下列三種需求 :
飛行員手動控制 (Manual trim) :
飛行中, 飛行員可視需要, 自行調整水平尾翼的配平, 這是三種需求中, 優先等級最高的.
自動駕駛控制 (Autopilot trim) :
這是為了減輕升降舵的操作所設計的 (操作升降舵所引起的空氣阻力比水平尾翼大得多). 在啟動自動駕駛之後, 若飛行控制電腦持續要升降舵往上打, 超過 3.5 秒後, 就會下令作水平尾翼的配平, 讓升降舵回到 Neutral 位置. 反方向亦然.
速度穩定增益 (Speed trim) :
在以上兩種配平控制都沒使用的情況下, 且飛機速度介於 120 - 220 kt 之間時, 就會進入 Speed trim 的模式. 在這種模式下, 水平尾翼的配平角度會隨著飛行速度變化而自行調整, 其調整角度與速度間的關係如下圖所示.
讓你更認識B747-400所有系統和背後原理-986
從圖中可以看出, 當飛機速速度越快時, 水平尾翼會越往下打 (前緣朝下的方向), 使得機頭會朝上, 其結果是阻力增加, 使飛機減速. 相反的, 當飛機空速降低時, 水平尾翼會往上, 使機頭朝下, 增加飛機速度. 因為這種機制, 有穩定飛機空速的作用, 因此被稱作 "速度穩定增益".

在這種情況下, 飛行員要花比較大的力氣來操控飛機 (當他一拉機頭時, 飛機速度減慢, 於是水平尾翼往上移動, 迫使機頭朝下, 飛行員要拉更多的操縱桿來克服). 其設計的目的在防止飛機失速 (特別是在飛機重心在比較後面時).


控制機構
讓你更認識B747-400所有系統和背後原理-8387
水平尾翼的控制, 不像之前所介紹的飛行控制面由鋼繩帶動. 不管是飛行員手動控制, 或是自動駕駛的控制, 還是速度穩定增益, 都是電的訊號..這些訊號全都集中到 SRM (Stabilizer trim/Rudder ratio Module) 這個控制電腦上. SRM 會計算出水平尾翼所要移動的角度, 再將結果交由 STCM (Stabilizer Trim Control Module) 來執行 . STCM 根據 SRM 的命令, 控制液壓閥的開關, 進而利用液壓的力量, 透過傳動機構去控制水平尾翼的移動. 而水平尾翼的位置, 則會回饋給 SRM 作控制用, 並且會顯示在駕駛艙內給飛行員參考.

這其中細心的讀者可能會發現, 飛行員有一條控制線路是不經 SRM 直通 STCM . 這個控制方式是第四種控制方式, 稱為 Alternate Trim. 當然這種方式的控制權會大於以上介紹的三種, 但也同時失去 SRM 的一些保護功能, 使用上要特別小心.

傳動機構
因為水平尾翼的移動相當特殊, 所以在此特別提出說明, 請參考下圖 :
讓你更認識B747-400所有系統和背後原理-288
由 STCM 所控制的液壓系統, 是用來推動一個液壓馬達, 而此馬達則是用來轉動大螺桿. 螺桿上有個大螺帽, 螺帽則連接在水平尾翼前端結構上. 當馬達轉動螺桿時, 螺帽便會延著螺桿上下, 連在其上的水平尾翼就會繞著支點旋轉, 如此就可以控制水平尾翼的角度了.

至於會採用這樣的設計, 我想主要是因為 747-400 的水平尾翼太大了 (幾乎是 737 主翼的大小 ), 用螺桿的方式比較省力, 控制上也比較精準, 不過動作會比較慢就是了.



駕駛艙內控制與指示
在四種控制水平尾翼的方式中, Autopilot trim 及 Speed trim 是由 SRM 自動控制的, 所以駕駛艙內只有 Manual trim 及 Alternate trim 兩種方式.

Manual trim :
讓你更認識B747-400所有系統和背後原理-6467
在操縱桿的外側 (正駕駛的左邊, 副駕駛的右邊), 各有一組用來調整水平尾翼的開關. 每組開關包含兩個 switch, 必需同時扳動兩個 switch 才會作動. (防止飛行員誤動).當兩個 switch 同時向上扳動時, 就會使水平尾翼朝著使機頭向下的方向移動, 反之則使機頭朝上.
Altinate trim : 讓你更認識B747-400所有系統和背後原理-3676
在引擎油門推桿右側, 有一組開關可用來作 Alternate trim (圖中黑色的開關), 其操作方式與 Manual trim 相似.另外在左側是一組用來切斷傳動系統液壓動力的開關. 在正常情況下, SRM 若偵測到水平尾翼有不正常的動作時, 會自動切斷傳動系統的液壓動力. 但萬一 SRM 也失效, 水平尾翼無法控制時, 飛行員可用這組開關強迫切動液壓動力. (為了防止誤動, 這組開關是用紅色蓋子蓋住, 稱為 Guarded switch)
水平尾翼位置指示器
讓你更認識B747-400所有系統和背後原理-4500 在油門推桿的左右兩側, 各有一個水平尾翼位置指示器供飛行員參考.指示器上黑白線條交界處, 就是目前水平尾翼的位置 (例如左圖位置約在 6.5 的地方 ).
其上的刻度只是一個參考的相對位置, 並非 真正的水平尾翼的角度.



楼主 发表于 2014-11-26 21:37:27 | 显示全部楼层

升降舵
(Elevator)

連接機構
讓你更認識B747-400所有系統和背後原理-6684
首先操縱桿的前後運動, 會由連桿傳到 Forward quadrant, 之後就變成兩條鋼繩, 經過一連串的滑輪, 穿過機身, 來到機尾的 After quadrant. 正副駕駛在這方面的機構相當類似, 而且兩組的鋼繩最後都在 After quadrant 會合, 加上兩邊操縱桿間有 Torque tube 連接, 所以正副駕駛在升降舵的操縱上, 一定是同步的.

在 After quadrant 上還連了一個 Feel unit, 除了具有回正功能, 可以讓操縱桿回到 Neutral 位置之外, 還具有力回饋的功能, 避免飛行員作出過於激烈的動作. 此外自動駕駛的伺服器也是接在這裡, 直接推動 After quadrant.

After quadrant 的轉動會經連桿, 傳到內側升降舵的 Power control package. 由 After quadrant 過來的連桿會控制 Power control package 內部的液壓控制閥, 讓液壓去推動唧筒, 進而帶動內側升降舵的移動.

至於外側升降舵的控制, 則是透過 Slave linkage, 把內側升降舵的移動, 傳到控制外側升降舵的 Power control package 上來, 讓外側的升降舵與內側同步動作. 換句話說, 若內側升降舵卡住, 或其它原因無法作動時, 外側也跟著掛了.

內外側升降舵所能擺動的角度, 向上可達 25 度, 向下只能到 15 度.

力回饋系統
傳統純粹使用人力拉動控制面的飛機, 飛行員可以藉由拉動操縱桿的力道, 去感覺飛機的受力狀態, 讓飛機保持在安全飛行範圍內. 但現在由於飛行控制系統使用液壓作為動力, 因此切斷了這個重要的人機介面, 747-400 的設計只能承受 2.5 G 的加速度, 若沒有這層保護, 很容易就作出超 G 的動作.

而作用在控制面上的空氣動力, 最主要的兩個影響因速就是空速與密度, 實際上就是我們在介紹大氣電腦時, 所談到的 "指示空速 (IAS)". 因此 747-400 從 Pitot-static tube 中, 拉出一條總壓管, 再從 Dedicated static port 拉出靜壓管, 接到所謂的 Elevator feel computer 上, 就可以知道要產生多大的力回饋了.

除了 IAS 外, 另一個會影響升降舵操控性的, 就是飛機的重心位置. 當飛機重心前移時, 升降舵作用的力距加長了, 對飛機的操控會變得比較靈敏. 不過 Elevator feel computer 並不直接使用重心的資料, 而是取用水平尾翼的位置資料 (因為不同的重心位置, 水平尾翼的配平角度也不一樣).

因此 Elevator feel computer 收集總壓, 靜壓, 及水平尾翼位置等資料, 會利用液壓系統改變 Feel unit 中的機械連桿的運作, 進而改變回饋力量的大小.

Feel unit 中另有機械式的彈簧, 在 Elevator feel computer 失效時, 至少還能提供基本的力回饋.



楼主 发表于 2014-11-26 21:34:40 | 显示全部楼层

擾流板
(Spoiler)

Spoiler 之分類
讓你更認識B747-400所有系統和背後原理-4928
747-400 在兩邊機翼上各有 6 片 (總共 12 片) 的 Spoiler. 由左至右給予 1 - 12 的編號, 如上圖所示. 因外側的 10 片 Spoiler (編號 1 - 5, 8 - 12 號) 在飛行中具有輔助 Aileron 作 Roll Axis 控制的功能, 所以習慣上稱這 10 片 Spoiler 為 "Flight Spoiler", 而編號 6, 7 的 Spoiler 稱為 "Ground Spoiler".
這 12 片會隨著 Spoiler 三種不同的功能而 "起舞", 現就將三種功能介紹如下 :
讓你更認識B747-400所有系統和背後原理-137 Lateral Control (滾轉軸控制) :
由操縱桿上的 Control Wheel 控制, Control Wheel 往左打時, 左邊 1 - 5 號 會與 Control Wheel 轉動角度呈正比的昇起, 右邊 Spoiler 則不動. 反之往右打時, 則 8 - 12 號昇起, 1 - 5 號不動.
1 - 4, 9 - 12 最大升起角度可達 45o, 5, 8, 則只達 20o . 6, 7 號則不受 Control Wheel 控制.
讓你更認識B747-400所有系統和背後原理-7045 In Flight Speed Brake :
當兩邊 Spoiler 對稱升起時, 就能達到降低高度, 減低空速的目的. 此項功能由駕駛艙內的 Speed brake lever 控制.
隨著 Speed Brake Lever 移動的角度, 3 - 6, 7 - 10 號會跟著升起, 但 3, 4, 9, 10 最大角度達 45o, 5, 6, 7, 8 則只有 20o. 1, 2, 11, 12 在此種模式下則不動作.
另外 In Flight Speed Brake, 與 Lateral Control 兩種模式可以共存
讓你更認識B747-400所有系統和背後原理-6518 Ground Speed Brake :
亦由 Speed Brake Lever 控制, 只有在飛機觸地時才可使用, 所有 Spoiler 都升起到 45o

連結機構
讓你更認識B747-400所有系統和背後原理-7142
首先要注意的是, 12 個 Spoiler 中, 共分成三組來控制. 1, 2, 11, 12 號由 Right Spoiler Differential Mechanism 控制, 3, 4, 5, 8, 9, 10 號由 Left Spoiler Differential Mechanism 控制, 而 6, 7, 號則由 Ground Spoiler Control Valve 所控制.
至於駕駛艙內則有兩個地方可以操縱 Spoiler, 一是 Control Wheel, 另一是 Speed Brake Lever. Control Wheel 的轉動會透過一連串的機構傳到 CLCP, (這部份的機構請參考 Aileron 的介紹), CLCP 就會將 Control Wheel 的轉動角度, 轉換成機械連桿的推拉動作 , 傳給 Spoiler Differential Mechanism.
另一方面 Speed Brake Lever 的動作會由連桿帶到 Speed Brake Drum Mechanism, 在這裡另有一個 Auto speed Brake Actuator, 可以提供自動升起 Spoiler 的功能 (Auto Speed Brake Function) . Speed Brake Drum Mechanism 再把 Lever 或 Actiator 的動作, 用鋼繩的方式傳到 Speed Brake Sequencer.
Speed Brake Sequencer 可以說是 Speed Brake Lever 訊號的集散地, 在這裡, Lever 的訊號被送到 Ground Spoiler Control Valve, 透過液壓系統直接操縱 6, 7 號 Spoiler 上的 Actuator, 來控制這兩個 Spoiler 的動作. 另外 Lever 的訊號也被送到 Left Spoiler Differential Mechanism 去控制 3, 4, 5, 8, 9, 10 號 Spoiler, 及送到 Right Spoiler Differential Mechanism 去控制 1, 2, 11, 12 號的 Spoiler.
Spoiler Differential Mechanism 不但接收 CLCP 過來的訊號, 還要接收 Speed Brake Sequencer 過來的訊號, 也就是說 Control Wheel 與 Speed Brake Lever 的控制, 在這裡作一個總和, 再送給相關的 Spoiler.
由 Spoiler Differential Mechanism 引出來的鋼繩, 會穿過機翼, 連到 1 - 5, 8 - 12 號 Spoiler 的 SCP (Spoiler Control Package)上. SCP 簡單講就是一組液壓控制閥及 Actuator 的組合, 透過液壓的進出, 就可控制 Actuator 的伸縮, 進一步控制 Spoiler 升起的角度了.

駕駛艙內控制
Control Wheel 的部份請參考 Aileron 的介紹, 現在來看另一個控制裝置 : Speed brake level :
讓你更認識B747-400所有系統和背後原理-457 Speed Brake Lever 位於 Control Stand 發動機油門推桿的左側. Lever 的移動是連續的 (也就是說越往後移, Spoiler 升起的角度越大), 不過上面有四個標示的刻度, 有其特殊的意義 :DN : 不使用 Speed Brake, 所有 Spoiler 都是貼於翼表面. 為了防止飛行員誤觸 Lever, 當要使用 Speed Brake 時, 必須先將 Lever 往 "上" 提之後, 才能將 Lever 往後移到其他位置, 將 Spoiler 升起.
ARM : 目前暫時不使用 Speed Brake, 但啟用 Auto Speed Brake 的功能, 在適當的情況下, Auto Speed Brake Actuator 會自動把 Spoiler 升起.
Flight Detent : 在空中飛行時, Lever 最大只能後移到這個位置, 也就是使用 Flight Speed Brake 最大的角度.
UP : 所有 Spoiler 都升到最大角度 (45o), 只有飛機已經觸地之後才可使用.

Auto Speed Brake 的功能
在飛行過程中, Landing, RTO (Rejected Takeoff), Go-around 三種狀況算是比較煩複或緊急的狀況. 為了減輕飛行員在這種狀況下的負荷, 747-400 提供了 Auto Speed Brake 的功能, 自動打出 (或收回) Spoiler.
Landing :
在降落前, 飛行員會將 Speed Brake Lever 設定在 "ARM" 的位置, 當飛機一觸地, 且油門推桿拉回到慢車位置, 所有 Spoiler 就會升到 45o位置 (Ground Speed Brake), 讓飛機減速, 以縮短跑道距離.
RTO :
在起飛的地面滑行過程中, 若飛行員決定放棄起飛, 也會希望飛機儘快減速, 以免衝出跑道. 這時只要飛行員使用反向推力器 (Thrust Reverser), 所有的 Spoiler 也會自動升起到 Ground Speed Brake 位置, 不需飛行員自己去拉 Lever.
Go-around :
當飛機降落觸地後, 所有 Spoiler 都升起時, 若飛行員決定重飛, 只要將油門推桿往前推 (加大推力), 所有 Spoiler 便會自動收回, 不必飛行員再去將 Speed Brake Lever 拉回 "DN" 的位置.


楼主 发表于 2014-11-26 21:29:47 | 显示全部楼层
本帖最后由 player1104 于 2014-11-26 21:31 编辑


副翼
(Aileron)

連動機構
讓你更認識B747-400所有系統和背後原理-3335
在駕駛艙裡, 飛行員是靠著轉動操縱桿上的 Control Wheel 來控制飛機的左右滾轉 (Roll), 現在就讓小蟹帶領大家走一趟副翼的操縱鋼繩, 看飛行員如何操縱副翼的動作.

首先由左手邊正駕駛的操縱桿看起. Control Wheel 的轉動會透過斜齒輪帶動桿子底下的兩個轉盤. 上面的轉盤連接了操縱副翼的鋼繩, 是我們待會要討論的重點, 但是先來了解底下那個轉盤的功用.

圖中可以看到, 正駕駛操縱桿底下那個轉盤, 是透過鋼繩與副駕駛連接的, 換句話說, 左右的 Control Wheel 是聯動的, 只要一邊轉, 另一邊也會跟著轉, 這樣就不會發生兩個人動作不一的情況. 但萬一有一邊卡死了, 豈不是兩邊都不能用 ? 所以在副駕駛的轉盤下, 有一稱為 Load limiter 的機構, 一旦兩邊力量相差超過 30 磅, 兩邊的連動機構就會脫開, 變成左邊 Control Wheel 控制左邊副翼 , 右邊控制右邊.

O.K. 讓我們再回到正駕駛 (左邊) 上面的轉盤來. 操縱鋼繩從這裡出發, 經過一連串的滑輪, 穿過機身來到輪艙附近, 並連上 Trim and Feel Mechanism.

Trim and Feel Mechanism 主要是透過一組彈簧, 讓飛行員在轉動 Control Wheel 時, 會依轉動角度而感覺力量增加, 並且在放手後讓 Control Wheel 回到中立位置 (Neutral). 因此這裡另有一支 Trim Actuator, 讓飛行員可以透過此 Actuator, 調整 Neutral 的位置, 也就是 Aileron Trim 的動作.

鋼繩在經過 Trim and Feel Mechanism 後, 會變成連桿的直線運動, 連接到 CLCP (Central Lateral Control Package).

CLCP 有兩大功能. 一是做為 "動力方向盤", 因為在此之後, 鋼繩要通過長長的機翼, 還要去拉動一些控制閥門, 對飛行員來講太吃力了, 因此 CLCP 引用液壓的力量來作輔助. 二是把 Control Wheel 的動作一分為二, 分別傳給 Aileron 及 Spoiler, (先前曾提過 Spoiler 也有輔助 Roll Axis 控制的功用).

CLCP 下方的連桿會連接到 Aileron Programmer. 因為 Control Wheel 可以向左右各轉 90 度, 但 實際 Aileron 打動的角度卻只有 15 - 25 度, 且之間也不是呈線性關係, 因此 Aileron Programmer 的功用, 是利用機械結構把 Control Wheel 轉動的角度, 轉換成相對應所須的 Aileron 角度.

從 Programmer 出來的鋼繩穿過機翼, 會連上左右內外側的 Aileron 控制機構, 稱為 Power Control Package. 其中包含了液壓控制閥門及制動唧筒 (Actuator) 藉著控制 Actuator 的伸長縮短, , 便可使 Aileron 照 Control Wheel 的轉動來控制. 不過在外側的 Power Control Package 前還多了一個 Lockout Mechanism, 當飛機速度超過某個數值時, 裡頭的機構就會隔絕鋼繩與 Power Control Package 的連接, 讓外側的 Aileron 無法被鋼繩帶動.

最後是 要提到的是連接左右兩邊 CLCP 與 Aileron Programmer 的 Force limiter rods. 這兩根桿子加上先前提到連接兩邊 Control Wheel 的鋼繩, 把左右兩邊的 Aileron 操縱系統緊接在一起, 才不會有左右操控不一的情況. 但在緊急情況下(兩邊力量相差過大), 這些連結機構都可以切斷, 讓飛機最少還有一邊的 Aileron 可控制.

副翼的微調 (Aileron Trim)
Control Wheel 在飛行員放手後, 會因彈簧的力量回到 Neutral 的位置. 在正常情況下, 此時飛機應該會持續平飛, 不應該左傾或右傾才對. 但通常飛機都無法達到如此完美的境界, 因此要有一套微調的裝置, 讓飛行員去修正左傾或右傾的現象.
讓你更認識B747-400所有系統和背後原理-8426
在駕駛艙內有兩個電門開關, 為防止飛行員不經意碰到這個微調裝置, 在使用時, 必須同時把兩個開關向左扳 ( 飛機向左傾) 或向右扳 (向右傾). 此時飛行員可以直接從 Control wheel 上方的刻度, 看出微調的角度.

Control Wheel 與 Aileron 角度之關係
讓你更認識B747-400所有系統和背後原理-5056
上圖中, 橫軸代表 Control wheel 所轉動的角度, 縱軸則是副翼所擺動的角度. 隨著 Control Wheel 轉動角度增加, 副翼擺動的角度也越大. 其中藍色曲線代表內側副翼的行程, 最大可達上下各 20 度. 但外側副翼在往下打時, 最多只能到 15 度 (紫色曲線), 往上打時卻可達 25 度 (紅色曲線).
另外 Control Wheel 角度在 45o時, Aileron 即達到最大角度, 即使 Control wheel 再轉動, Aileron 也不會再繼續動作. 超過 45o 後就靠 Spoiler 來作 Roll Axis 方面的控制了

外側 Aileron 的 "Lockout"
當飛機飛行速度快的時候, 一方面為了怕飛行員作出過於激列的動作, 另一方面因為外側機翼結構較弱, 所以這時外側的 Aileron 會進入 "Lockout" 的狀態. 在這種狀態下, 外側 Aileron 會固定於中立位置 (Neutral), 不受 Control wheel 控制.
至於何時進入 "Lockout" 則由大氣電腦量得的空速或馬赫數而定, 如下圖所示 :
讓你更認識B747-400所有系統和背後原理-764
在 Vc > 238 kts 時會進入 Lockout 模式, 但要等到 Vc < 232 kts 時才會解除 Lockout 模式. 或者當 Mc > 0.53 時進入 Lockout 模示, Mc < 0.51 後才解除. 這種帶狀區域的設計, 是為了避免飛機在這個空速區域時, 一點氣流的擾動, 就造成系統不必要的切換. (就好像自排車開在山路上, 會有不斷降檔, 升檔的情形一樣).
另外當 Flap 放下時, 現有 Lockout 的功能, 也會解除. 因為放 Flap 時通常空速已不高, 而且若有 Flap 兩邊不對稱放下時, 更需要 Aileron 來作平衡, 這時候 Outboard Aileron 就更不能缺席了.

讓你更認識B747-400所有系統和背後原理-301
楼主 发表于 2014-11-26 21:23:05 | 显示全部楼层

飛行控制系統
(Flight Control)

題外話
雖然航空科技的發展一日千里, 但在應用於民航機方面的腳步, 卻似乎永遠慢半拍. 例如線傳飛控的技術, 早在 70 年代就應用於 F-16 上, 而民航機要到 80 年代的 A320 才開始使用該項科技.
這其中或許有牽涉到對新系統的不信任, 操作人員對新科技的接受程度等人為因素的考量. 對新舊系統的操控方式, 也有來自各方的爭辯. 不論如何, 747-400 所使用的飛行控制系統, 仍屬於傳統的鋼繩控制. 其好壞就留待後人去評論吧 !

飛行三軸與控制面
讓你更認識B747-400所有系統和背後原理-2323
飛機在三度空間飛行, 所以共有六個自由度的運動 (三個直線, 三個旋轉軸). 雖然要到達目的地, 靠的是直線方向的運動, 不過傳統的飛機在控制上, 還是採用控制旋轉軸的方式, 間接控制飛機的飛行方向.
因此飛行控制所討論的範圍, 就是這三個旋轉軸的控制 (Roll Axis, Pitch Axis, Yaw Axis, 請參考上圖). 另外用來提高飛機升力的襟翼, 用來減速或降低升力的擾流板, 也在飛行控制的範圍內, 底下將一一討論.
Roll Axis :
Roll Axis 的控制主要由 Aileron (副翼)來完成. 在 747-400 上還有內 ,外側副翼之分. 平常內外側是一起動作, 但在高速飛行時, 為了避免飛機 作出過於激烈的動作, 外側副翼會有 "Lockout" (固定在 Neutral 的位置, 不會隨飛行員操作而動作)的功能, 其原因會在後面說明.
Spoiler, 是另一個控制 Roll Axis 的裝置. 平常 Spoiler 是貼平於機翼上表面, 使用時會升起到一定的角度, 以達到 擾流及空氣煞車的功用. 每邊機翼各有六片 Spoiler, 隨著 Spoiler 的三種功用 ( Roll Axis 控制, 空中減速板, 地面減速板), 各有不同的動作模式. 當用於 Roll Axis 控制時, 只有外側 的五片 Spoiler 會有作用. 當飛機要左傾時, 左翼外側的五片 Spoiler 會隨著副翼的動作, 升到不同的角度, 讓左側機翼損失一些升力, 而右側 Spoiler 則不動作.
Pitch Axis :
在 747-400 尾部共有四片 Elevator (升降舵, 左右各有內外兩片), 用作 Pitch Axis 方向上的控制, 不過這四片是同時動作, 你可以當做一片來看. 至於 Stabilizer 則是用來微調 (Trim), 因動作很慢, 並不能直接當作飛 行控制面使用.
Yaw Axis :
垂直尾翼上的 Rudder (方向舵)可用來控制 Yaw Axis 的運動. 結構上可分 作上下兩片, 但動作上是同步的. 為了避免操縱過度, 隨著飛機速度增加, Rudder 動作的行程會被限制, 此功能被稱為 "Rudder Ratio Change".
高升力裝置 :
可細分為前緣襟翼 (Leading Edge Flap), 與後緣襟翼 (Trailing Edge Flap). 前緣襟翼左右各有十四片, 後緣襟翼則左右各有兩組. 使用襟翼不但提高 機翼的升力係數, 也增加翼面積, 可以使飛機以較低的空速起降.
減速及擾流 :
當左右兩邊的 Spoiler 同時升起時, 則飛機會因機翼上氣流被破壞而升力 降低並高度會下降, 同時速度也會減慢. 所以在降落過程中, 是禁止使用 Spoiler 的. 在空中使用時, 只有左右內側各四片 Spoiler 會動作, 但 若是在地面上使用 (如降落觸地後) 時, 則所有 Spoiler 都會升起.

駕駛艙內的控制
747-400 在駕駛艙內對三軸的控制, 仍是傳統 "一桿兩舵" 的配置, 而擾流板及襟翼的控制, 則由另外的操作桿控制. 在此先介紹其 "一桿兩舵".
讓你更認識B747-400所有系統和背後原理-6035
駕駛桿本身只能做前後的移動, 其運動連接到升降舵, 可用來做 Pitch axis 方向上的控制. 當桿子向前推時, 可使機頭下壓, 向後拉時則使機頭抬起.
桿上的轉盤稱為 Control wheel , 則可以左右旋轉. 連接的操控面包括副翼及擾流板, 用來作 Roll axis 方向上的控制. 當轉盤向右轉時, 飛機會向右傾, 反之向左轉時, 飛機會向右傾.
至於腳上的兩個踏板則有兩種行程. 第一種是前後平移, 且是一前一後的運動 (左踏板向前, 右踏板就向後, 反之亦然). 此種運動連接到方向舵, 是用來控制 Yaw axis 上的運動, 當左踏板往前時, 機頭往左轉, 反之亦然. 在地面上時, 方向舵還連接到鼻輪的轉向機構, 用來作飛機的轉向.
第二種則是以踏板後緣為軸的旋轉動作. 這是用在輪子的煞車控制. 往下踩時就會使煞車作動. 左踏板控制左邊的煞車, 右踏板則控制右邊, 兩者的運動是獨立而不相干的.
在駕駛艙內, 正副駕駛各有各的 "一桿兩舵", 但正常情況下, 兩者是由機械結構連為一體的, 因此兩者的動作是同步的.

飛行控制面的動力
除了翼前緣襟翼使用高壓空氣為動力外, 其它飛行控制面的主要動力源都是來自液壓系統.   飛行員拉動操縱桿, 或踩方向舵踏板, 這些動作都是透過一連串的鋼繩, 滑輪傳到各控制面上的控制閥上, 再由控制閥控制液壓的進出, 使液壓唧筒 (Actuator) 伸長或縮短, 來使控制面動作.
使用液壓輔助控制面操作, 會有力回饋的問題產生. 早期飛機使用人力拉動控制面時, 當飛機從事劇烈運動或高速飛行時, 作用於控制面上的氣動力會給飛行員相當大的力量回饋, 需要飛行員用較大的力量操縱飛機. 但使用液壓後, 飛行員完全感受不到控制面上的氣動力, 很容易使飛機作出過於劇烈的動作而不自覺 .
因此 747-400 在 Pitch Axis 控制方面, 設計了一套 Elevator Feel System, 此套系統會依據飛機當時空速, 適當調節操縱桿的力回饋, 讓飛行員在高速飛行時, 要花比較大的力量來拉動操縱桿. (有點像汽車的動力方向盤) 不過在 Roll Axis 及 Yaw Axis 方面, 就沒有這方面的力回饋設計, 取而代之的方法是限制各個飛行控制面的移動行程 (角度), 例如外側 Aileron 的 Lockout, 及 Rudder ratio change 等的設計.

自動駕駛的控制
747-400 上有自動駕駛 (Autopilot) 裝置, 可以取代飛行員來操控飛機. 自動駕駛的核心是一台電腦, 而電腦的數位訊號如何變成機件上的動作, 來操縱這些控制面呢 ? 答案就是所謂的伺服器 (Servo)
在 747-400 上的伺服器, 是一組能夠精確控制伸長量的液壓唧筒,   這些伺服器就設計在 "一桿兩舵" 所連接的鋼繩及連結機構上, 靠著唧筒的伸長或縮短, 來帶動鋼繩及其它機構的動作.
在伺服器控制各個飛行控制面的同時, 其動作也會透過鋼繩同步帶動 "一桿兩舵" 的移動. 因此在啟動自動駕駛之後, 會看到駕駛艙內的駕駛桿或方向舵自己動了起來 (當然飛機也跟著動作), 就好像有個看不見的人在飛飛機一樣.
這種設計的優點, 就是飛行員可以 "感覺" 飛行. 只要他把手放在駕駛桿上, 就可以知道飛機正在怎麼飛, 不必時時刻刻盯著飛行儀表. 畢竟 "觸覺" 與 "視覺" 並用, 會比光用視覺多一層保障. 像 Air Bus A320 之後發展的線傳飛控的飛機, 在啟動自動駕駛後, 操縱桿就不會動了, 這一點曾讓許多飛行員花了一段時間才能適應過來.


楼主 发表于 2014-11-26 21:21:02 | 显示全部楼层

液壓系統
(Hydraulic Power)

題外話
液壓動力是飛機上的大力士, 其壓力高達 3000 psi (磅重/平方英吋)許多笨重的工作都靠液壓系統來負責.
在這麼大的工作壓力下, 液壓油的選擇就特別重要, 因為除了要傳遞壓力外, 還要負責機件的潤滑及散熱. 因此液壓油必需具備底下幾種特性 :
  • 化學穩定 : 曝露在空氣中不會氧化, 不會侵蝕金屬機件和管路.
  • 黏稠度適中 : 太稀的液體通常潤滑效果不好, 而且容易從機件或管路的接合處滲出. 而太稠的液體通常散熱效果不好.
  • 耐高溫 : 必須要揮發性小, 燃點高, 而且高溫下不會變質.

於是我們有了 Monsanto Co. 出品的 Skydrol LD-4, 這種完美的液壓油 (只不過它會對皮膚造成刺激罷了 ! 人總是有一些小缺點嘛 !)

液壓來源
引擎幫浦 (Engine Driven Pump, EDP)
在每個引擎的附件齒輪箱上, 都裝有一個液壓幫浦, 可以隨著引擎的轉動而產生 3000 psi 的壓力. 飛機上共有四個引擎液壓幫浦, 這是飛行中最主要的液壓動力來源.
氣動幫浦 (Air Driven Pump, ADP)
利用氣動系統的高壓空氣, 吹在渦輪上來帶動液壓幫浦, 是另外一種形式的液壓來源. 機上共有兩個這樣的幫浦, 當液壓系統需求很大 (如收放襟翼時), 用來輔助引擎液壓幫浦.
電動幫浦 (AC Motor Pump, ACMP)
利用電馬達帶動幫浦, 產生液壓. 機上共有四個電動幫浦, 其中兩個與氣動幫浦作用一樣, 是用來輔助引擎幫浦用的, 另外兩個則是專供地面使用, 主要用在地面拖機.
外接液壓源
若有地面裝備可提供適當的壓力源, 也可以連上機上的液壓系統, 提供相關機件的運作.

液壓系統的分佈與使用
在 747-400 上, 液壓系統總共有四 "系", 每系都有其獨立的幫浦, 管路, 液壓油槽, 及控制線路, ( "系" 與 "系" 之間也沒有任何管路相通, 以防某一系管路破裂, 把所有液壓油都漏光了), 以確保每一系都能獨立運作.
EDP 是每一系的主要液壓來源, 因此這四系液壓系, 就跟著引擎的編號, 分別稱為 1, 2, 3, 4 系.
除了以引擎為動力來源的 EDP 外, 每一系還備有輔助用幫浦 (Demand Pump). 當液壓需求量大, EDP 不夠力 (甚至是壞掉了) 時, Demand Pump 可以自行啟動, 以滿足壓力需求. 在 1, 4 系, Demand Pump 使用 ADP, 在 2, 3 系則使用 ACMP.
另外在 1, 4 系, 還加裝了 Auxiliary Pump (使用 ACMP作為壓力源), 如此一來四系液壓都有 ACMP, 只要有電, 每系都可以建壓作測試 (在地面時, 電力是基本的動力, 提供電力的地面裝備, 比提供高壓空氣的裝備普遍得多). 當 APU 壞掉時, 也只要接上大拖車上的發電機, 就可以提供 1, 4 系的建壓 (因為拖機要用到機上煞車, 而煞車用的是 1, 4 系的液壓).
讓你更認識B747-400所有系統和背後原理-73
機上使用液壓的系統包含兩大部份 :
  • 起落架系統 : 包括起落架, 輪艙門的收放, 輪子的轉向以及煞車系統.
  • 飛行控制面 : 包括副翼, 擾流板, 方向舵, 升降舵, 水平尾翼配平, 及翼後緣襟翼等.

駕駛艙內控制
在駕駛艙上方的控制面板中, 有一塊區域是專門用來控制液壓系統. 由於每一系統都是獨立的, 因此在面板上也是分別控制.
讓你更認識B747-400所有系統和背後原理-8254
1. Engine pump switch控制 EDP 的使用與否, 若壓力不夠, 底下的 "PRESS" 燈就會亮啟.
2. Demand pump selector用來選擇 Demand pump 的使用 :
OFF--關閉 Demand pump
AUTO--EDP 壓力不夠時自行啟動
ON--強迫 Demand pump 持續運轉
另外在 1, 4, 系的選擇鈕上, 另有 "AUX" 的位置, 是用來啟動 Auxiliary pump
3. Demand pump low pressure lightDemand pump 的壓力不夠時, "PRESS" 的燈會亮起.
4. System fault light系統的壓力過低, 溫度太高, 或液壓油槽油量過低, "SYS FAULT" 的燈會亮起.

楼主 发表于 2014-11-26 21:17:36 | 显示全部楼层

氣動系統
(Pneumatic Power)

題外話
在日常生活中, 用高壓體空氣作動力的例子並不多 (可能是因為高壓氣體儲存不便吧 !), 不過在 747-400 上卻應用得很廣泛. 把高壓空氣吹在渦輪葉片上讓渦輪轉動, 就可以用來推動一些機件了.
空氣在壓縮的過程中, 溫度會升高, 因此除了用來推動機件運轉外, 也會用到其高溫的特性 (約在攝氏 100 多度), 用於機翼及引擎進氣口的防冰工作. 除此之外, 機艙內的加壓也是由氣動系統來負責.

高壓空氣來源
機上氣動系統所使用的高壓空氣, 有底下幾種來源 :
引擎 :
引擎的壓縮器是最佳現成的高壓空氣來源. 不過引擎的轉速變化很大, 所引出的空氣壓力變化也很大, 因此通常會在壓縮器的中段及後段, 各開一個口把空氣引出來. 當引擎轉速低的時候, 壓縮效果比較不好, 就用壓縮器後段出來的空氣, 當轉速高的時候, 只要用到壓縮器中段的空氣就夠了. 以使用 GE CF6-80C2 引擎的飛機為例, 其空氣出口分別開在高壓壓縮器的第 8 級與第 14 級附近.
即便如此, 引擎出來的空氣, 其壓力及溫度的變化還是很大, 因此還會再經過調壓及調溫的裝置, 才能供應穩定的氣源給氣動系統使用.
APU :
APU 的轉速固定, 因此不必像引擎那樣, 用到那麼複雜的控制系統. 由 APU 的 Load compressor 出來的壓縮空氣, 可直接供應氣動系統使用.
地面氣源 :
飛機機腹底下裝有兩個氣管接頭, 可以把外界的氣源連到機上氣動系統.

氣動系統的分佈與使用
讓你更認識B747-400所有系統和背後原理-7870 從 APU 及各個引擎出來的氣管, 最後都在機身中段連接成一整體.在接合處共有三個 Isolation valve, 把整個管路分佈約略分成左, 中, 右三個部份, 而 Isolation valve 就是用來控制這三部份管路的連通.
由於氣管管徑蠻大 ( 約 15 cm), 管路的安裝與固定都頗麻煩, 因此大部份需要用到高壓空器的機件, 都安裝在此分佈管路附近.
使用高壓空氣的系統包括有 :
  • 空調系統 : 用高壓氣體本身的能量, 去推動空調系統的壓縮機, 把自己的溫度給降下來 (神奇吧 !), 再送到機艙內給乘客使用 (同時對機艙加壓). 另外高壓空氣的熱, 也用來微調客艙內各區的溫度. 後貨艙內的加溫也是用氣動系統的氣喔 !
  • 防冰 : 利用高壓空氣的熱氣, 來加熱機翼與引擎進氣口這兩個易結冰的地方.
  • 引擎啟動 : 引擎的啟動, 是靠高壓空氣去推動氣動馬達, 讓引擎轉起來.
  • 引擎逆推力 (Thrust reverser) : GE CF6-80C2 的引擎, 使用氣動系統來讓逆推力系統運作.
  • 翼前緣襟翼 : 翼前緣襟翼 (Slat) 的收放, 主要是靠氣動馬達的運作.
  • 水箱加壓 : 利用氣動系統的空氣壓力, 才能把裝在底部機身水箱裡的水, 打到客艙給客人或空服員使用.

駕駛艙內的控制
讓你更認識B747-400所有系統和背後原理-5752
1. Engine bleed air switch控制該引擎提供的高壓空氣, 是否要供應到氣動系統中.
2. Engine bleed air system fault light若出現黃色 "SYS FAULT"燈號, 表引擎的供氣出了問題.
3. APU bleed air switch控制 APU 的空氣是否要供應到氣動系統中.
4. Isolation valve switch用來連接左, 中, 右三部份的氣管管路.


楼主 发表于 2014-11-26 21:15:52 | 显示全部楼层

輔助動力源
(Auxiliary Power Unit, APU)

題外話
有人說 : 747-400 有五個發動機, 這樣的說法倒也沒錯, 因為底下要向大家介紹的輔助動力源 (Auxiliary Power Unit, APU) 基本上就是一個具體而微的小發動機.
747-400 上的四個發動機除了用來推動飛機前進外, 還要負責供應機上其它系統的動力. 包括電力, 氣動, 液壓三種主要動力源. 所以問題就來了, 飛機沒事停在地上的時候, 總不能就讓發動機這樣一直運轉吧 ! 既危險又耗油, 於是設計師想到 : 何不在飛機上裝個小發動機, 而且裝在高高的飛機屁股上, 這樣飛機就有了動力 (主要是供電及供氣) 可以讓機上系統正常運作, 既不會造成危險, 也較省油, 而且不必依賴地面裝備, 於是我們有了 APU
如果不是這樣 (例如 APU 掛了的時候), 那地面人員可有得忙了. 首先機上的儀電要接電源車才能運作; 飛機上的乘客可不能讓他們熱壞了, 所以要接上冷氣空調車; 再來發動機要啟動, 還要另外再接上高壓氣源車. 等飛機要飛了, 發動機轉起來後, 又要趕快把裝備撤離, 免得擔誤飛機起飛, 讓地面人員疲於奔命, 所以 APU 真是維修人員相依為命的伙伴.
對雙發動機的飛機 (如 B767, B777, A300, A330 等)來講, APU 的地位就更重要了, 當有一個發動機失效時, APU 就成了另一個動力來源, 因此必需能在空中起動且能正常供電供氣, 否則飛機就無法執行 ETOPS (雙發動機航程延展操作), 飛機的航路會大受影響, 甚至無法飛行某些航線.
不過對 747-400 這種四引擎的飛機來講, 情況糟到必須在空中依賴 APU 動力的可能性太小了, 所以 747-400 的 APU 只用於地面運作, 到了空中只能供氣, 不能供電, 也無法在空中啟動 (波音並未替 APU 的空中供電可靠性申請認証) .

性能參數
    讓你更認識B747-400所有系統和背後原理-3634      Pratt & Whitney  PW901A
長度 :76.90 英吋
寬度 :43.33 英吋
高度 :51.54 英吋
重量 :846.5 磅
最大軸馬力 :286 馬力
最大供氣量 :444 磅/每分鐘
最大供電量 :180 kW

原理與構造
讓你更認識B747-400所有系統和背後原理-9916
首先整個 APU 分成兩大部份 : Load section 與 Core section. Core section 就是一般發動機燃燒燃油, 產生動力的部份. 而 Load section 則是利用 Core section產生的動力, 帶動 Load compressor (離心式壓縮器), 以提供高壓空氣. 另外也會帶動 AC generator, 產生飛機所需的電力.
外界空氣由 Air inlet 吸入後, 會兵分兩路, 一路會經 Load compressor 壓縮, 提供機上所需的高壓空氣, 另一路則經 High pressure compressor 壓縮, 送到燃燒室燃燒後, 推動兩級渦輪, 再排出機外.
在兩級渦輪中, 其中的 High pressure turbine  是用來轉動 High pressure conpressor, 而 Power turbine 則是用來推動 Load compressor, 在構造上 APU 是屬於兩軸式發動機.
讓你更認識B747-400所有系統和背後原理-3756 APU 裝於機身尾部, 其進氣口設在尾部右側, 水平尾翼的上方, 而排氣口就設在機尾的正後方, 排氣是朝水平方微微向上, 避免影響地面作業人員.

駕駛艙內控制
讓你更認識B747-400所有系統和背後原理-8404
駕駛艙內控制 APU 的開關非常單純, 與一般啟動汽車一樣, 把開關扳到 "ON" 位置, 再轉到 "START" 位置停一兩秒鐘再放開, 開關會彈回 "ON" 位置, 之後 APU 就會自動執行啟動的步驟.
首先起動馬達會使用機上電池的電力, 帶動 APU 的旋轉軸旋轉. 等到達一定轉速後, 自動注油點火, 之後便會加速到正常的運作轉速, 這時就可以使用 APU 提供的動力了. 啟動的過程約需時一分鐘. 若要關閉 APU, 只要把開關由 "ON" 位置, 擺回到 "OFF", APU 就會自行執行關車程序 (包括冷卻, 自我測試等步驟).
APU 開始運轉之後, 有另外的開關來控制供電與供氣的功能, 此部份請參考相關系統的介紹.


您需要登录后才可以回帖 登录 | 加入联盟

本版积分规则

快速回复 返回顶部 返回列表